2025, 41(6):1-8. DOI: 10.13652/j.spjx.1003.5788.2025.80274
摘要:目的 探索柑橘活性成分柚皮苷的生物合成方法。方法 通过酶筛选、多拷贝整合以及前体供给策略构建合成柚皮素的酿酒酵母工程菌株。在此基础上通过引入柚皮苷合成途径、优化UDP-葡萄糖供应并最终实现从D-木糖合成柚皮苷。结果 通过筛选柚皮素途径关键酶确认最优黄酮合成酶为PhCHS。进一步将柚皮素合成途径整合至多拷贝位点,构建的菌株Z39M2能够合成36.53 mg/L柚皮素;过表达CAT2、xPK-PTA途径和ACC1m优化丙二酰辅酶A供应构建菌株Z44,其柚皮素产量提高至72.96 mg/L;通过引入柚皮苷合成途径成功合成了35.60 mg/L柚皮苷,进一步过表达PGM1和UGP1将柚皮苷产量提升至76.67 mg/L。结论 通过代谢工程策略构建了一株能够从D-木糖合成柚皮苷的酿酒酵母工程菌株。
2025, 41(6):9-16. DOI: 10.13652/j.spjx.1003.5788.2025.80068
摘要:目的 探究两种结构不同的酒花小分子(α-酸和黄腐酚)与大麦蛋白质Z之间的相互作用机理及两者的构效关系。方法 利用溶剂浸提和阴离子交换柱分别制备了纯度较高的α-酸和蛋白质Z;采用多重光谱表征了α-酸/黄腐酚与蛋白质Z之间的相互作用及蛋白质的构象变化;通过分子动力学模拟对α-酸/黄腐酚与蛋白质Z的交互模式和分子结合机制进一步探究。结果 α-酸和黄腐酚均可猝灭蛋白质Z的内源性荧光,且α-酸表现为红移,黄腐酚表现为蓝移,两种分子的结合化学计量均接近1∶1;分子动力学结果显示,两种酒花小分子与蛋白质Z之间的作用力以氢键和疏水相互作用为主。结论 黄腐酚对蛋白质Z的结合亲和力强于α-酸。
2025, 41(6):17-25. DOI: 10.13652/j.spjx.1003.5788.2025.60067
摘要:目的 研究木质素降解菌应用于烤烟风味改善的效果。方法 通过木质素降解酶活力测定,并结合感官评析效果对微生物进行筛选。得到功能菌株后对其进行发酵优化,最后使用GC-MS分析菌株处理后的烤烟挥发性风味物质的变化。结果 获得产木质素过氧化物酶(Lip)的枯草芽孢杆菌YY-10,该菌株的粗酶液对烤烟样品中酸不溶性木质素的降解率达到31.04%。粗酶液的作用使样品中挥发性风味物质含量显著增加,香气质量和细腻度也得以提高。结论 高产Lip的枯草芽孢杆菌YY-10对烤烟风味具有改善作用。
2025, 41(6):26-35. DOI: 10.13652/j.spjx.1003.5788.2024.80729
摘要:目的 研究烤制方式对牛肉挥发性风味物质的影响。方法 筛选烤箱烤制、微波烤制、电烤盘烤制3种烤制方式下感官评分最佳的烤制时间,再结合固相微萃取(solid phase microextraction,SPME)、气相色谱—质谱(gas chromatography-mass spectrometry,GC-MS)联用技术对3种烤制方式下牛肉的挥发性风味物质进行分离鉴定。结果 3种烤制方式下牛肉的感官评分均呈先上升后下降趋势,烤箱和电烤盘烤制均在烤制时间为10 min时感官评分最高,微波烤制则在烤制时间为3 min时感官评分最高。3种烤制方式的最优烤制时间下分别鉴定出47,37,31种挥发性化合物,且主要以醛类、醇类、酮类和烷烃类为主。不同烤制方式下的化合物种类和含量存在明显差异,烤箱烤制牛肉的主要香气成分为辛烷醛、(E)-2-癸烯醛和1-辛醇,微波烤制牛肉的主要香气成分为己酸对硝基苯酯、己酸和十二烷酸,电烤盘烤制牛肉的主要香气成分为二十烷、己二酸二丁酯和胡莫柳酯。结论 采用烤箱200 ℃烤制10 min时,检出的风味化合物种类最多,牛肉的风味呈现效果最佳。
张新月,陈杭君,牛犇,申屠旭萍,杨海龙,殷明,郜海燕,穆宏磊
2025, 41(6):36-43. DOI: 10.13652/j.spjx.1003.5788.2025.80170
摘要:目的 提高麦角甾醇在电喷雾电离源的响应,并探究麦角甾醇的丹磺酰化衍生方法。方法 以丹磺酰氯为衍生试剂,4-二甲氨基吡啶(DMAP)为催化剂,采用响应面试验优化衍生化条件。采用C18色谱柱分离,0.15%甲酸—甲醇溶液等度洗脱,离子源为ESI源,多反应监测模式检测,并同时测定10种食用菌中麦角甾醇含量。结果 最佳的衍生条件为反应温度36 ℃,反应时间25 min,DMAP质量浓度8 μg/mL。麦角甾醇衍生后的线性范围为25~2 000 ng/mL,检出限为13.4 ng/mL,定量限为149 ng/mL,灵敏度较衍生前提高了51.94倍。10种食用菌中,香菇中的麦角甾醇含量最高,为(4.21±0.083) mg/g。结论 试验方法操作简单,具有较高的灵敏度和准确性。
2025, 41(6):44-50. DOI: 10.13652/j.spjx.1003.5788.2025.80343
摘要:目的 提出一种新型荧光偏振(FP)检测策略,通过整合重组酶聚合酶扩增(RPA)技术,实现对沙门氏菌(Salmonella)的高灵敏度检测。方法 该检测机制依赖于靶标DNA与特异性引物的同源序列识别:当沙门氏菌靶标存在时,引物与靶DNA结合并触发链置换反应,进而启动DNA扩增过程。为提高检测灵敏度,系统采用两项关键设计:在引物5'端修饰6-羧基荧光素(6-FAM)作为荧光报告基团;引入核酸外切酶Ⅰ(Exo Ⅰ)选择性水解未结合的引物。结果 在RPA扩增过程中,由于扩增产物的相对分子质量显著增加,6-FAM标记的DNA复合物的旋转自由度受到限制,导致荧光偏振信号显著增强。经条件优化后,该方法对沙门氏菌的检测限可达11 CFU/mL,且表现出优异的特异性。结论 该方法可高效检测沙门氏菌,其模块化设计原理还可拓展应用于其他食源性病原体的快速诊断。
2025, 41(6):51-56. DOI: 10.13652/j.spjx.1003.5788.2025.60034
摘要:目的 利用高光谱技术结合稀疏高光谱特征选择实现牛肉糜中掺入豌豆蛋白、鸭肉糜、鸡肉糜、猪肉糜的高准确率检测。方法 提取牛肉糜样本原始光谱数据,采用标准正态变量变换(SNV)、多元散射校正(MSC)、一阶微分(D1)、移动平均(MA)预处理方法对光谱数据进行处理。设计一种基于稀疏表示的高光谱特征选择算法,该算法构建稀疏降维框架,并采用群智能优化对光谱特征选择目标函数进行优化求解,在保持数据多样性的同时最大程度地降低光谱数据维度。分别建立基于稀疏高光谱特征选择的极限学习机分类(ELMC)、随机森林(RF)和支持向量机分类(SVC)的掺假分类检测模型,并分析多高光谱数据融合对检测结果的影响。结果 相比于全波段,基于稀疏特征选择的3种检测模型的分类准确率分别提高了2.33%,1.86%,2.01%,且优于基于连续投影(SPA)特征提取、自适应重加权采样(CARS)特征提取建立的检测模型。采用SNV、MSC预处理组合光谱数据的检测分类准确率最高,相比单一光谱数据分类准确率分别提高了0.79%,0.64%,0.65%。结论 所提方法实现了对牛肉糜掺假的有效检测。
2025, 41(6):57-62. DOI: 10.13652/j.spjx.1003.5788.2025.80409
摘要:目的 对岳阳酱腌菜产品进行检测情况分析并提出质量控制措施。方法 2024年对岳阳10个县区酱腌菜中食品添加剂和污染物残留进行了检测,共采集了5 712批次酱腌菜。在检测的5 712批次酱腌菜产品中,共检出不合格样品10批次,不合格率为0.18%,说明整体情况较好。从食品添加剂检测情况来看,酱腌菜中共检出10种食品添加剂,检出率为0~73.49%,超标率为0~1.86%,其中着色剂柠檬黄存在不合理使用,超标率为1.86%;其次为二氧化硫残留量,超标率为1.02%;从污染物残留情况来看,虽然岳阳酱腌菜中污染物残留情况的检出率较高,但未发现超标情况。结果 岳阳酱腌菜食品添加剂使用普遍,存在个别不规范使用食品添加剂的情况,而污染物残留情况整体安全性较好。结论 建议监管部门对酱腌菜产品建立食品添加剂质量防控体系,规范企业和个体户生产行为,进而促进酱腌菜产业的健康发展,才能保障酱腌菜消费安全。
2025, 41(6):63-67. DOI: 10.13652/j.spjx.1003.5788.2025.60079
摘要:在中国食品安全社会共治中,推进工会组织参与具有通过教育培训提升职工专业素养、依托集体协商加强企业责任等价值作用,目前的实践层面已经取得了明显成效,但仍不同程度存在科普教育形式比较单一、新媒体宣传实效性不够突出、工会组织对职工群众食品安全举报线索的支持不力等难题。对此,可以从丰富公众科普维度的实施形式、形成工会在食品安全社会共治中的全媒体宣传策略、健全工会组织对工会会员食品安全举报线索的支持机制等不同维度,破解食品安全社会共治中工会组织参与的多重难题。
2025, 41(6):68-74. DOI: 10.13652/j.spjx.1003.5788.2025.60011
摘要:目的 提出一种基于极限学习机和晶体结构算法的污染食品早期检测方法。方法 通过晶体结构算法优化特征选择,结合极限学习机进行快速高效的分类与检测,提升污染食品早期检测精度与效率。结果 与传统方法相比,试验方法在准确率(94.5%)和F1分数(93.2%)上均有显著提升,且在召回率和处理速度方面也表现出优于其他最新方法的优势。与最新的深度学习方法相比,试验方法的训练时间约缩短了30%,检测速度提高了25%。结论 基于极限学习机与晶体结构算法的污染食品早期检测方法在提高检测精度、加快检测速度及优化计算效率方面表现出了明显优势,具有较好的实际应用前景,尤其适用于快速大规模食品安全检测。
2025, 41(6):75-80. DOI: 10.13652/j.spjx.1003.5788.2025.60078
摘要:目的 设计一种微流控纸基装置,探究其对汞、铅、铝、铁、铜离子的定性检测能力及对实际样品的检测能力。方法 通过组合玫红三羧酸铵(ATA)、双硫腙(DZ)、二苯偶氮碳酰肼(DPC)、二乙基二硫代氨基甲酸钠(DDTC)和铬黑T(EBT)5种络合试剂与掩蔽剂构建微流控纸基装置,并结合反应前后的欧氏距离(ED)对反应进行追踪。结果 目标金属离子与纸基装置快速(10 s)响应可产生明显色变。在其他常见金属离子的干扰下,该装置仍表现出较好的选择性。该纸基具有在实际样品(自来水、茶、果汁)中检测的能力。结论 该方法制备简单、便携、响应快速,可实现对汞、铅、铝、铁、铜离子的定性检测。
2025, 41(6):81-87. DOI: 10.13652/j.spjx.1003.5788.2024.80959
摘要:目的 降低柑橘糖度检测分析过程的复杂度、提高检测糖度准确度及减小检测过程的破坏性。方法 设计一种基于可见近红外反射光谱的柑橘糖度在线检测装置。以云南金牛柑橘为研究对象,采用光谱—理化值共生距离(SPXY)划分分类方法建立建模集和验证集,分别对比分析了多元散射校正(MSC)、标准正态变换(SNV)和卷积平滑(SG)等方法预处理后的偏最小二乘回归(PLS)建模检测效果,确定最佳预处理方法。并对比研究了连续投影算法(SPA)、竞争性自适应重加权算法(CARS)和随机蛙跳算法(RF)对预处理后的光谱数据进行特征波段提取,筛选出合适的特征波长点,建立PLS预测模型。结果 采用SG+MSC+CARS处理筛选出的95个特征波长点建立的PLS模型预测效果最好,其Rc和Rp分别为0.913和0.881、RMSEC和RMSEP分别为0.274和0.207、RPD为2.114。结论 该方法有效降低了柑橘糖度检测过程的复杂性,提高了检测准确度并减小了检测破坏性。
2025, 41(6):88-95. DOI: 10.13652/j.spjx.1003.5788.2024.80973
摘要:目的 以双酚A核酸适配体为识别分子,金属有机框架(Fe-MIL-101)纳米模拟酶为信号探针,建立了一种无标记、可视化快速检测双酚A(BPA)的新方法。方法 将BPA适配体添加到Fe-MIL-101溶液中,适配体通过静电相互作用吸附到Fe-MIL-101表面,进而抑制其模拟酶活性,当测试样品中含有BPA时,适配体特异性结合BPA,适配体从Fe-MIL-101表面脱落,Fe-MIL-101催化无色过氧化物酶底物产生比色输出信号,通过比色信号的变化实现对BPA的定性和定量分析。结果 在优化条件下,BPA在缓冲液中线性检测范围为1~80 ng/mL,裸眼可视化检出限为0.5 ng/mL。将该方法应用于牛奶和奶粉中BPA检测,加标回收率为83.6%~95.2%,RSD值为2.96%~7.45%。结论 该方法具有简便、快速、准确性高等特点,具有良好的应用前景。
2025, 41(6):96-101. DOI: 10.13652/j.spjx.1003.5788.2024.80945
摘要:目的 改进催化式红外发射器的加热温度分布不均、燃烧效率低于预期等问题。方法 提出了改进空气和燃气的混合方式和优化混合比例(空燃比)的研究方案。通过热电偶测量不同工作条件下发射器表面的温度,以表面平均温度、最高温度、温度标准差以及升温曲线为指标,进行优化试验。结果 与腔内混合相比,腔外预混可以提高发射器表面平均温度约50 ℃,提高最高温度约16 ℃,降低表面温度标准差约17%,在空燃比较小的情况下,可以略微缩短升温所需时间。以液化石油气为1.3 SLPM、空燃比为23.3为例,在腔内混合的情况下平均温度为527.3 ℃、最高温度为615.2 ℃;在腔外预混的情况下平均温度为559.1 ℃、最高温度为647.4 ℃。结论 腔内混合和腔外预混两种方式中,最佳的空气与液化石油气的混合方式为腔外预混,最佳空燃比为23.3。
2025, 41(6):102-111. DOI: 10.13652/j.spjx.1003.5788.2024.80902
摘要:目的 研究盘式磨粉机粉碎不同物料时不同工作参数对工艺效果的影响,并对其工作参数进行优化。方法 采用Rocky DEM离散元软件对盘磨研磨过程进行模拟,变量包括入料速度、磨盘间距、动磨盘转速和入料种类。分析这些因素对取粉率、耗电量和粉碎时间的影响,并使用正交试验设计和矩阵分析方法对数值模拟结果进行综合评估。结果 盘磨研磨过程中不同入料参数对应的最优参数组合方案为:粉碎小麦时磨盘间距2.70 mm、入料速度0.75 kg/min、动磨盘转速1 000 r/min;粉碎玉米时磨盘间距2.80 mm、入料速度0.75 kg/min、动磨盘转速1 400 r/min;粉碎荞麦时磨盘间距2.60 mm、入料速度0.75 kg/min、动磨盘转速600 r/min,得到了不同颗粒大小与杨氏模量对应不同盘磨间距与动磨盘转速的回归模型。结论 通过正交试验与矩阵分析优化了小麦、玉米和荞麦的粉碎工艺,并构建了自适应回归模型,提升了磨粉机的操作效率和能效。
2025, 41(6):112-120. DOI: 10.13652/j.spjx.1003.5788.2024.81096
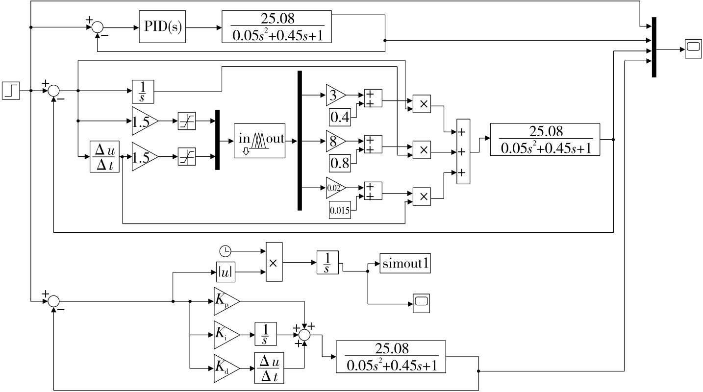
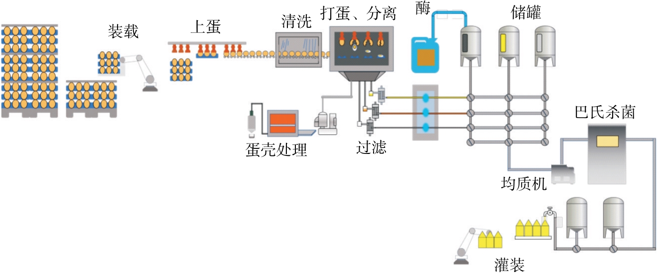
摘要:目的 优化液蛋生产中蛋黄液和蛋清液(全蛋液)的配比控制系统。方法 单片机通过触摸屏输入的蛋黄液和蛋清液(全蛋液)配比指令,通过模糊PID控制算法,控制变频器的频率及泵的转速,与电导率仪在线监测的反馈信号进行比较,以实现蛋清液和蛋黄液的实时精确配比;并应用Matlab软件中的Simulink仿真比较了传统PID算法、粒子群优化PID算法和模糊PID算法的性能。结果 仿真结果表明,模糊PID的超调量小、调整时间短且动态响应能力强。在配比试验中,模糊PID算法的液蛋配比控制系统的最大电导率误差为0.17 mS/cm,蛋黄质量分数与实际值相差3.4%,系统达到稳定所需时间为10 s左右,稳定时蛋黄质量分数最大误差为0.8%。结论 试验设计的液蛋配比控制系统能够有效减小配比误差、响应速度快、稳定性好,可实现实时在线监测与配比控制,提高液蛋生产设备的智能化水平。
2025, 41(6):121-128. DOI: 10.13652/j.spjx.1003.5788.2024.81226
摘要:目的 解决鱼糕工业化生产过程中因暂存条件不当导致的凝胶品质下降问题。方法 以冷冻鱼糜为原料制备鱼糕,研究微生物转谷氨酰胺酶(MTGase)添加量及暂存温度和时间对鱼糕力学特性、外观色度、持水特性和感官品质的影响,并通过响应面试验优化工艺参数。结果 MTGase添加量、暂存温度和暂存时间对鱼糕的全质构分析(TPA)参数、穿刺特性、色度、持水特性和感官评分有显著影响(P<0.05)。经响应面优化获得最佳工艺参数为:MTGase添加量0.35 U/g鱼糜、暂存温度 19.2 ℃、暂存时间 55.4 min,在此条件下制作的鱼糕凝胶强度和感官评分最高,分别为24.15 N·mm和37.38。结论 在鱼糕工业化生产过程中,MTGase适宜添加量为0.35 U/g鱼糜,混合鱼浆的暂存条件宜选择较低的暂存温度(不高于19.2 ℃),暂存时间不宜超过55.4 min。
2025, 41(6):129-135. DOI: 10.13652/j.spjx.1003.5788.2024.80724
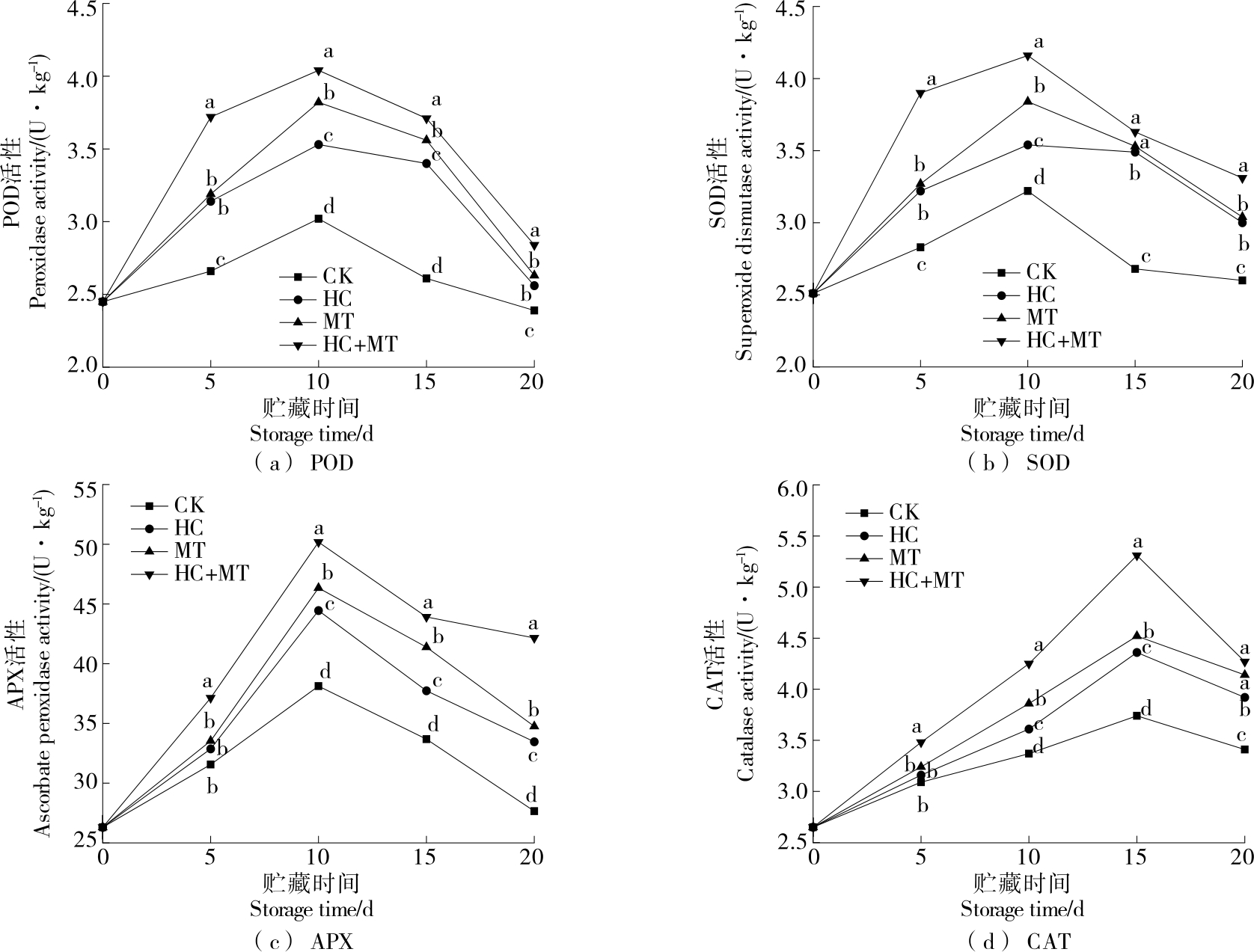
摘要:目的 减少青椒采后低温贮藏过程中冷害的发生。方法 以青椒为试验材料,对热激(HC)和褪黑素(MT)复合处理的青椒样品在(4±1) ℃和85%~90% RH贮藏过程中的冷害指数、相对电导率、丙二醛、H2O2含量、抗氧化酶活性和品质指标及相关性进行研究。结果 HC复合 MT处理使冷害出现时间推迟了5 d,失重率降低了52.4%,H2O2含量降低了71.75%,有效抑制了青椒相对电导率的增加和MDA的积累,POD、SOD、APX和CAT抗氧化酶活性分别提高了0.45,0.71,14.50,0.86 U/kg。同时,复合处理也较好地保持了青椒的硬度、TSS、叶绿素和维生素C含量且各指标之间均存在相关性。结论 HC复合MT处理能有效降低青椒冷害现象的发生。
2025, 41(6):136-143. DOI: 10.13652/j.spjx.1003.5788.2025.60040
摘要:目的 干物质、糖度是影响猕猴桃果实品质的两个重要指标,为实现猕猴桃干物质、糖度快速准确检测,提出一种融合改进深度卷积神经网络和光谱技术的猕猴桃内部品质关键指标无损检测方法。方法 运用光谱仪采集猕猴桃光谱数据,并利用格拉姆角场(GAF)变换将光谱数据转换为两类二维图像。构建多空卷积改进卷积神经网络模型预测分析猕猴桃品质关键指标,模型具备两个独立的CNN模块并联处理两类二维图像。通过设计多空卷积策略、聚类剪枝方法和引入通道注意力机制,以提升模型检测分析能力。结果 相比于其他模型,所提检测方法的干物质、糖度平均均方根误差分别降低了20.59%,13.04%,平均决定系数分别提高了6.45%,4.34%,平均相对预测偏差分别提高了6.99%,12.78%。结论 所提方法具有良好的猕猴桃内部品质关键指标检测分析能力,对猕猴桃内部品质无损检测具有一定的借鉴意义。
2025, 41(6):144-149. DOI: 10.13652/j.spjx.1003.5788.2025.80062
摘要:目的 探究动态血糖监测系统(continuous glucose monitoring system,CGMS)对进食糖缓释主食餐后血糖波动的影响及特点。方法 共纳入8名健康成年受试者,进行为期15 d的连续血糖监测(continuous glucose monitoring,CGM)并采集餐后静脉血样以观察血糖波动情况。试验期间,受试者在第2天和第14天早晨空腹分别摄入葡萄糖水(对照食物),第5、8、11天早晨空腹分别摄入糖缓释主食、普通大米和低GI高抗性淀粉大米,持续监测餐后4 h动态血糖变化及测定静脉血血糖值。监测指标包括葡萄糖目标范围内时间(time in range within 4 h postprandial,TIR4h)、血糖恢复至空腹水平时长(time to return to fasting blood glucose levels within 4 h postprandial,Tb4h)、血糖生成指数(4-h postprandial glycemic index,GI4h)及食物血糖负荷(4-h postprandial glycemic load,GL4h)。结果 在5次食物测试中,葡萄糖水平均TIR4h为85.6%,而糖缓释主食的餐后TIR4h达到了100%,显著高于葡萄糖水(P<0.05)且优于其他2种食物。葡萄糖水的平均Tb4h值为112 min,糖缓释主食为167 min,显著高于葡萄糖水(P<0.05)。动态血糖监测3种受试食物GL4h结果分别为55,60,47,普通大米与糖缓释主食GL4h值高于低GI高抗性淀粉大米,静脉血血糖监测3种受试食物GL4h结果分别为52,64,40,普通大米与糖缓释主食GL4h值显著高于低GI高抗性淀粉大米(P<0.05)。基于以上结果,糖缓释主食的TIR4h值为100%,显著高于葡萄糖水且优于其他2种食物,Tb4h值为167 min显著高于葡萄糖水,GL4h值显著高于低GI抗性淀粉大米。结论 糖缓释主食能够显著降低人体餐后血糖波动幅度,同时保证足够的能量供应。
2025, 41(6):150-156. DOI: 10.13652/j.spjx.1003.5788.2024.81044
摘要:目的 探究藜麦全粉添加量对饼干品质和体外消化特性的影响。方法 在小麦粉中添加不同比例(0%,10%,20%,30%,40%,50%)的藜麦全粉,考察藜麦全粉添加量对饼干品质和体外消化特性的影响。结果 与未添加组相比,随着藜麦全粉添加量的增加,藜麦饼干的水分含量逐渐升高,硬度逐渐下降,柔韧性先增大后减小,当藜麦全粉添加量为30%时,饼干的柔韧性最大;随着藜麦全粉添加量的逐渐增加,饼干的风味发生显著性变化(P<0.05),感官评分和总淀粉水解率逐渐降低。当藜麦全粉添加量>20%时,饼干的血糖生成指数(GI)值低于55,为低GI食品。结论 添加藜麦全粉可降低饼干的体外消化率和血糖生成指数。
2025, 41(6):157-163. DOI: 10.13652/j.spjx.1003.5788.2025.80157
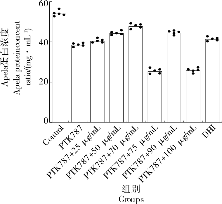
摘要:目的 探究文冠果油(XSO)对斑马鱼血管再生的促进作用及其作用机制。方法 利用PTK787诱导斑马鱼血管缺陷模型,设置不同质量浓度XSO(0,25,50,75,100 μg/mL)干预,通过荧光显微成像分析节间血管(ISV)和肠下血管(SIV)再生情况,检测氧化应激指标(SOD、MDA、CAT)及Apela蛋白表达水平,并以丹红注射液为阳性对照。结果 75 μg/mL XSO组促血管再生效果最佳:ISV长度恢复至正常组的87.6%(2 234.5 μm vs. 2 550.1 μm),SIV长度达正常组的105%(662.8 μm vs. 627.9 μm),均优于阳性对照组(ISV:93.7%;SIV:98.2%)。氧化应激指标显著改善:SOD活性(19.03 U/mg)为正常组的1.41倍,MDA含量(1.305 nmol/mg)降至模型组的56.6%(阳性组1.658 nmol/mg);CAT活性(1.623 4 U/mL)为正常组的1.53倍(阳性组1.32倍)。Apela蛋白表达达49.327 ng/mL,为模型组的1.26倍(阳性组1.18倍)。结论 XSO通过调控氧化应激和上调Apela蛋白表达促进血管再生,其效果优于丹红注射液且无过度血管生成风险。
2025, 41(6):164-172. DOI: 10.13652/j.spjx.1003.5788.2024.81274
摘要:目的 探讨挤压膨化技术对海红米理化性质、消化特性及营养成分的影响。方法 采用响应面法优化海红米挤压膨化工艺参数。通过水溶性指数(WSI)、糊化度、淀粉消化特性(包括快消化淀粉、慢消化淀粉和抗性淀粉)及抗营养因子(植酸)含量等探究挤压处理对海红米粉理化性质的影响,并对挤压前后海红米粉的微观结构、淀粉晶型和结晶度进行表征。结果 经过挤压膨化处理,海红米粉的水溶性和糊化度得到改善,其水溶性指数(WSI)为18.48%,糊化度达到了95.35%;海红米粉的淀粉晶型由A型转变为V型,结晶度下降了56.44%(P<0.01),且其黏度系数和糊化峰值温度显著降低。挤压膨化还能降低海红米粉中抗营养因子植酸含量18.83%(P<0.01),提高其快消化淀粉比例,降低抗性淀粉含量,体外淀粉消化率升至74.72%。结论 挤压膨化技术显著改善了海红米的理化性质,降低了抗营养因子含量并有效保留了其营养成分,提升了淀粉的消化特性。
2025, 41(6):173-181. DOI: 10.13652/j.spjx.1003.5788.2024.80961
摘要:目的 通过微波辅助酶解法制备罗非鱼皮抗氧化肽并进行结构分析。方法 通过单因素和响应面试验优化微波预处理辅助碱性蛋白酶水解法制备抗氧化肽工艺条件,并分析微波处理对鱼皮结构、抗氧化肽的相对分子质量及氨基酸组成与抗氧化活性的影响。结果 微波辅助酶解制备抗氧化肽的最优工艺条件为微波功率441.50 W、微波温度61.00 ℃、微波时间20 min、酶解时间6.21 h、加酶量2.20%、料液比1∶40 (g/mL),此时罗非鱼皮抗氧化粗肽得率和抗氧化活性相比对照组分别提高了8.23%和54.89%。经微波预处理的罗非鱼皮的硬度、胶黏性和咀嚼性相比对照组均显著降低,且罗非鱼皮胶原纤维更加分散和疏松。结论 微波预处理后可得到相对分子质量<1 000,具有高含量的组氨酸、苯丙氨酸、酪氨酸和半胱氨酸,且抗氧化活性较高的肽。
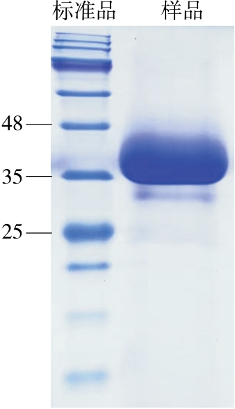
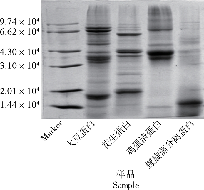
2025, 41(6):182-189. DOI: 10.13652/j.spjx.1003.5788.2024.80972
摘要:目的 优化螺旋藻分离蛋白的浸提工艺,分析其理化和功能性质。方法 以螺旋藻分离蛋白提取量为评价指标,通过单因素试验和正交试验优化其提取工艺,并对其理化性质、结构特征和功能特性进行全面比较分析。结果 碱溶酸沉法浸提螺旋藻分离蛋白的最佳工艺条件为料液比1∶20 (g/mL)、提取时间1 h、体系pH 8.0、提取温度40 ℃,此条件下螺旋藻分离蛋白提取量达280.36 mg/g。所得螺旋藻分离蛋白外观呈墨绿色,表面疏水性为330.49,游离巯基含量为20.51 μmol/g,主要亚基相对分子质量保持在1.8×104左右。与大豆分离蛋白、花生分离蛋白和鸡蛋清白蛋白相比,螺旋藻分离蛋白具有较好的起泡性和乳化能力。结论 螺旋藻分离蛋白是一种功能性质相对较好的天然源植物蛋白,具有较好的开发利用前景。
2025, 41(6):190-195. DOI: 10.13652/j.spjx.1003.5788.2024.81003
摘要:目的 制备鹰嘴豆芽素A(BA)的金属配合物并探究其生物活性。方法 以鹰嘴豆芽素A为配体,设计合成鹰嘴豆芽素A-铜(BA-Cu)、鹰嘴豆芽素A-锌(BA-Zn)、鹰嘴豆芽素A-铬(BA-Cr)金属配合物,利用紫外光谱、红外光谱等方法对配合物结构进行表征,采用磷钼络合法考察3种鹰嘴豆芽素A金属配合物的抗氧化活性,采用CCK8法考察3种鹰嘴豆芽素A金属配合物的抗癌活性。结果 试验成功制备得到BA-Cu、BA-Zn、BA-Cr 3种鹰嘴豆芽素A金属配合物,3种金属配合物均具有良好的抗氧化活性,且抗氧化活性均高于其配体鹰嘴豆芽素A以及阳性药BHT,其中BA-Cr的抗氧化活性最好。3种鹰嘴豆芽素A金属配合物对人肺癌A549细胞、宫颈癌Hela细胞以及乳腺癌MCF-7细胞的增殖均有一定的抑制效果,且整体高于其配体鹰嘴豆芽素A,其中BA-Zn的抗癌活性最佳。结论 成功制备得到BA-Cu、BA-Zn、BA-Cr 3种鹰嘴豆芽素A金属配合物,其中,BA-Cr的抗氧化活性最好,BA-Zn的抗癌活性最好。
2025, 41(6):196-202. DOI: 10.13652/j.spjx.1003.5788.2024.60083
摘要:目的 分析植物乳杆菌发酵金线莲工艺及抗氧化活性。方法 以金线莲为原料,植物乳杆菌191046为发酵菌种,金线莲多糖含量为评价指标,通过单因素试验结合响应面试验优化金线莲发酵工艺,并评价其体外抗氧化活性。结果 金线莲的最佳发酵工艺条件为植物乳杆菌接种量4.50 g/L、发酵时间17 h、发酵温度36 ℃,此时金线莲发酵液中多糖含量为(24.84±0.05) mg/mL。该发酵液总抗氧化能力为(8.67±0.85) U/mL,羟自由基清除率为(96.11±0.90)%;2倍稀释液的超氧阴离子自由基清除率为(28.03±2.00)%,DPPH自由基清除率可达(86.13±0.17)%。结论 金线莲经植物乳杆菌191046发酵后,其抗氧化活性良好。
2025, 41(6):203-210. DOI: 10.13652/j.spjx.1003.5788.2024.81081
摘要:目的 为定量和全面地测量油炸食品脆性,研究油炸过程中马铃薯片脆性变化规律,并优化马铃薯片的油炸工艺。方法 采用食品脆性机械—声发射综合测量装置,以质构仪测得的最大机械压缩应力和声发射仪检测到的最大声发射能量为指标参数,测量油炸马铃薯片脆性;并研究油炸过程中马铃薯片脆性变化规律,同时利用单因素试验和响应面优化分析法寻找最佳油炸工艺条件。结果 马铃薯片油炸过程中,最大机械压缩应力和最大声发射能量在含水率80%~22%时先小幅增加,在含水率22%~7%时快速增加;其后最大机械压缩应力随着含水率降低仍快速增加,而最大声发射能量保持不变。优化后的油炸工艺条件为:油炸温度160 ℃、油炸时间21 min、切片厚度1 mm。在此条件下,响应值最大机械压缩应力和最大声发射能量分别为17.13 N和0.154 mV·s。结论 机械—声发射综合检测方法可用于油炸食品脆性测量及油炸工艺优化。
2025, 41(6):211-216. DOI: 10.13652/j.spjx.1003.5788.2025.80320
摘要:目的 探究白芸豆提取物对凝固型酸奶理化性质和风味的影响。方法 采用酸度计、滴定法、离心称重法、质构仪和电子鼻分别测定凝固型酸奶的pH值、酸度、持水性、质地和挥发性风味特征。结果 白芸豆提取物可显著促进酸奶发酵进程(P<0.05),其持水力、硬度及苯类挥发性风味物质含量均优于对照组。添加0.9%白芸豆提取物可使酸奶持水力、硬度与黏稠度分别提高13.11%,9.46%,13.19%。此外,添加白芸豆提取物可减少酸奶氢化物、氮氧化合物挥发性风味物质含量,提高长链烷烃挥发性风味物质含量。相关性热图显示,0.9%白芸豆提取物添加量与酸奶持水力、长链烷烃挥发性风味物质含量、硬度、黏稠度、黏性绝对值及内聚性绝对值呈正相关性,表明其可协同优化酸奶质构与风味,提升综合品质。结论 添加0.9%白芸豆提取物可促进酸奶发酵,显著改善凝固型酸奶质地特性和风味特征。
2025, 41(6):217-227. DOI: 10.13652/j.spjx.1003.5788.2024.80471
摘要:目的 探究制油工艺对山桐子油挥发性风味物质的影响。方法 采用顶空—固相微萃取—气相色谱—质谱(HS-SPME-GC-MS)法分析螺杆压榨法、液压压榨法、水代法和石油醚浸提法制取的山桐子油挥发性风味物质组成,以相对气味活度值(ROAV)确定主体挥发性香气成分。结果 共检出8类114种挥发性风味成分,其中共有成分12种,相对含量之和为9.92%~24.21%,特有成分相对含量为7.50%~47.99%;结合ROAV值共筛选出18种关键香气化合物、13种风味修饰化合物和6种潜在气味成分。液压压榨和水代法提取油中对总体风味贡献最大的关键香气化合物为(E,E)-2,4-壬二烯醛,呈坚果、油炸味,而螺杆压榨和石油醚浸提油中的为3-辛醇,呈蘑菇、稻草味。结论 液压压榨山桐子油的特有风味物质种类多且含量高、关键香气化合物种类丰富、香味阈值风味物质含量最大,其挥发性风味特点突出且识别度高,类似于坚果、蒲公英、水果的特征香气更浓郁。
2025, 41(6):228-235. DOI: 10.13652/j.spjx.1003.5788.2024.81006
摘要:低聚木糖是来源于木质纤维素类生物质中具有益生元活性的功能性低聚糖,具有优良的理化性质和生理功能,如调节肠道微生态平衡、预防心血管疾病等,已被广泛应用于食品、医药等领域。文章主要综述了水热法制备低聚木糖的最新进展及后续纯化方法,如溶剂萃取法、吸附法、膜分离法、色谱分离法等,并对其今后的发展方向进行了展望。
2025, 41(6):236-243. DOI: 10.13652/j.spjx.1003.5788.2024.80864
摘要:三维打印技术是通过数字化进行控制的一种新型食品加工技术,具有形态各异、节省材料、营养均衡等特点。在现代食品加工领域中,越来越多的消费者开始关注具有保健作用的食物,这不仅可以解决温饱问题还能补充部分营养,因此,将3D打印技术和这些物质结合将成为现代食品领域发展的一个重要方向。文章在对3D食品打印过程中常用的设备类型进行阐述的基础上,总结了3D打印技术在具有保健作用食物中的加工应用现状,分析比较了能够改善3D打印食品特性的方法,并展望了这些食物未来在3D食品打印中所面临的挑战和机遇。
2025, 41(6):244-250. DOI: 10.13652/j.spjx.1003.5788.2025.80355
摘要:人参属植物果实可作为功能性食品原料和药品开发资源,其提取物在保健食品领域及医学领域实现初步应用转化,显示出市场潜力。文章选取人参、西洋参、三七、竹节参、珠子参5种临床常用人参属植物,系统阐述了其果实的生物活性成分、药用价值及开发利用现状的研究进展。
今日访问
您是本站第 访问者 
通信地址:湖南省长沙市天心区万家丽南路二段960号
电话:0731-85258200 E-mail:foodmm@ifoodmm.com 邮编:410114
技术支持:北京勤云科技发展有限公司
版权所有:食品与机械 ® 2025 版权所有

快速检索
友情链接