2025, 41(3):1-8. DOI: 10.13652/j.spjx.1003.5788.2025.60033
摘要:环境与食品均对人类健康产生重要影响,但围绕环境与食品的复杂交互作用影响健康的宏观规律和微观机制的研究较缺乏。环境食品学围绕“环境—食品”耦合“健康”的科学主题,对不同时空环境下膳食行为与健康相关的科学技术问题开展系统研究,是食品科学的新兴交叉方向。文章回顾了环境、食品、健康三者之间,从“二元关系”即环境与食品到“三元关系”即环境、食品与健康的研究历程与进展,并以华中农业大学环境食品学教育部重点实验室研究成果为例,深入分析了环境食品学科学内涵和相关研究进展。
2025, 41(3):9-16. DOI: 10.13652/j.spjx.1003.5788.2024.81028
摘要:目的 探索唾液中的α-淀粉酶对淀粉基增稠流体的质构感知机制。方法 开展了针对真实唾液、添加α-淀粉酶的人造唾液对淀粉基增稠流体的流变学和质构性质的表征。结果 动态流变学测试结果表明,唾液中的α-淀粉酶可降低淀粉基增稠流体的黏弹性,且随着α-淀粉酶质量浓度的增加,凝胶体系损耗因子增加。静态流变测试结果表明,α-淀粉酶会增加淀粉基增稠流体的表观黏度系数K以及触变环面积。质构测试结果表明,真实唾液(未灭酶/灭酶)组质构未表现出显著差异,而人造唾液(无酶/加酶)组差异显著,加酶后的体系硬度、咀嚼性显著下降。结论 α-淀粉酶分解淀粉基增稠流体中的淀粉大分子成为低聚糖等小分子,使得淀粉分子与果胶分子之间的三维凝胶网络崩塌。
2025, 41(3):17-25. DOI: 10.13652/j.spjx.1003.5788.2024.80774
摘要:目的 提高茯苓资源的利用度。方法 以茯苓为原料,利用纤维素酶、木聚糖酶协同红曲菌固态发酵茯苓,测定发酵产物中碱溶性多糖、水溶性多糖、β-葡聚糖、还原糖、总三萜及茯苓酸、莫纳卡林K含量的变化。结果 红曲菌250 Gy相对于另外5株红曲菌发酵茯苓对化学成分含量的影响更显著,其中红曲菌250 Gy发酵6 d时水溶性多糖含量达61.99 mg/g,相比于茯苓原料提高了1.58倍。与对照组相比,纤维素酶、木聚糖酶处理协同红曲菌250 Gy发酵茯苓的水溶性多糖含量分别提高了1.15,1.12倍;β-葡聚糖含量分别提高了0.81,0.70倍;总三萜含量分别提高了0.95,0.82倍。结论 两种酶处理协同红曲菌250 Gy固态发酵茯苓会对其化学成分产生重要影响,可作为提高茯苓活性成分含量的有效方法。
2025, 41(3):26-32. DOI: 10.13652/j.spjx.1003.5788.2024.80726
摘要:目的 开发适用于番茄中灰霉菌的抑菌方法。方法 以番茄灰霉菌为试验对象,通过菌落直径、抑菌率考察手性纳米金改性TiO2(DAT)复合材料中纳米材料添加量、光照时间对灰霉菌的抑制效果;通过分析菌丝生物量、核酸蛋白质泄漏量及菌体结构探究DAT对灰霉菌的作用机理。结果 当手性纳米金添加量为80 μL、DAT质量浓度为5 mg/mL、自然光照时间为24 h时,DAT对灰霉菌的抑菌率最高为53.64%;DAT纳米材料在光照中产生的自由基通过破坏细胞膜,导致菌体核酸和蛋白质大量泄露,从而抑制灰霉菌菌丝的生长;DTA处理后的灰霉菌菌丝表面粗糙,出现皱缩、破损等情况。结论 DTA可以有效破坏番茄灰霉菌细胞膜及菌丝结构,抑制灰霉菌的生长繁殖。
2025, 41(3):33-38. DOI: 10.13652/j.spjx.1003.5788.2024.80652
摘要:目的 研究迁移温度、时间及铜含量对返青箬叶中铜向食品模拟物中迁移的影响。方法 用五水硫酸铜溶液浸泡箬叶制备返青箬叶,食品模拟物包括超纯水、2.5%(质量分数)氯化钠溶液、4%(体积分数)乙酸溶液、10%(质量分数)白砂糖溶液、大豆油和5‰(质量分数)碳酸氢钠溶液;考察迁移温度、时间及铜含量对返青箬叶中铜迁移量的影响。结果 除大豆油外,返青箬叶在乙酸溶液中的迁移量最大,其次是氯化钠溶液;当迁移温度为100 ℃时,所有食品模拟物中的铜迁移量在2 h时达到峰值,然后随着时间的延长呈下降趋势;当迁移时间为24 h时,超纯水、氯化钠溶液和大豆油的迁移峰值在40 ℃;乙酸和白砂糖溶液的迁移峰值在25 ℃;返青箬叶中铜含量越高,迁移量越大。结论 食品模拟物性质、加热时间和温度是影响返青箬叶中铜迁移的重要因素;返青箬叶中铜含量越高,迁移量越大,酸性食品更有利于铜迁移。
王芳妹,钟文涛,李政,徐越,苏家佑,向俊,陈瑶,李白玉,卢琳,方群
2025, 41(3):39-44. DOI: 10.13652/j.spjx.1003.5788.2024.60144
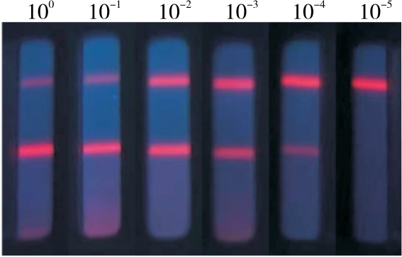
摘要:目的 基于量子点纳米粒子构建多元定性分析食品微生物中致病菌检测的新方法,以满足当前食品安全监管和短保食品时效要求。方法 量子点有着丰富类别和多样的合成方法,与免疫荧光分析方法结合,可快速、灵敏、高效检测两种或更多种不同致病菌的方法。结果 该方法可有效同时快速、灵敏、高效地检测食源性致病菌。当菌数为103 CFU/mL时,在15 min内仍可检测出。对不同基质的乳制品通过盲样致病菌添加后检测,与传统方法符合率达到100%。结论 该方法对致病菌检测的特异性强、灵敏度高,且操作简便、检测时间短,具有良好的实用性。
2025, 41(3):45-49. DOI: 10.13652/j.spjx.1003.5788.2024.60123
摘要:目的 建立一种基于新型荧光探针的食品中氰化物检测方法。方法 基于氰化物的强亲核性,合成一种新型的反应型香豆素类荧光探针,分析探针与氰化物的响应机理、反应速率、选择性以及线性关系,并进行实际样品验证。结果 该探针对氰化物具有优异的选择性,对氰化物的响应速度较快,能在1 min内反应完全。当探针浓度为10 μmol/L时,氰化物的线性范围为5~90 μmol/L,线性方程Y=11.645 45+7.014 55X,检测限为0.065 μmol/L。实际样品检测时,加标回收率为97.9%~105.0%。结论 该探针能够快速、准确检测氰化物。
2025, 41(3):50-56. DOI: 10.13652/j.spjx.1003.5788.2024.60140
摘要:目的 提高猪肉的分类精度,建立基于近红外光谱和PCA-DBN-SVM的猪肉种类识别模型。方法 结合猪肉的近红外光谱特征信息,利用PCA进行降维和特征提取,并采用DBN-SVM进行分类识别,构建一个融合近红外光谱信息特征和PCA-DBN-SVM模型的猪肉种类识别方法。结果 与KNN模型、RF模型、ELM模型以及DBN组合模型相比,PCA-DBN-SVM模型的猪肉种类分类精度最高,为99.91%。结论 PCA-DBN-SVM模型具有更高的分类精度。
2025, 41(3):57-61. DOI: 10.13652/j.spjx.1003.5788.2025.60038
摘要:食品安全行政公益诉讼不仅是行政公益诉讼的法定范围,也是中国食品安全社会共治体系的一部分。其中,审前程序有其独立价值,是平衡行政权与检察权的重要制度设计。在食品安全社会共治的视阈下,审前程序是实现行政机关监管归位的最优选择。文章通过审视目前食品安全行政公益诉讼审前程序在司法实务中存在独立地位及专业性缺失等问题,进而提出推进相关立法、引入多元主体等优化路径。
2025, 41(3):62-66. DOI: 10.13652/j.spjx.1003.5788.2025.60039
摘要:随着全球以人工智能AI为代表的数字科技发展,基于环保压力如替代蛋白减少碳排放、可持续包装降低塑料污染、健康意识增强等多方面的考量,美国、欧盟、新加坡、日本等国家在国际新兴食品领域如替代蛋白、功能性食品、3D打印食品的法律监管方面形成了比较富有成效的制度机制。对比来看,中国在新兴食品领域的法律监管目前仍存在分类监管比较模糊、审批效率偏低、国际规则衔接不足、监管政策呈现滞后性等问题。文章在有选择性借鉴美国、欧盟、新加坡、日本等国际经验做法的基础上,从建立分级分类监管体系、优化审批与创新激励机制、加强跨部门与国际协作、动态调整监管政策等不同维度对中国的新兴食品领域的法律监管进行了审视并给予完善的建议。
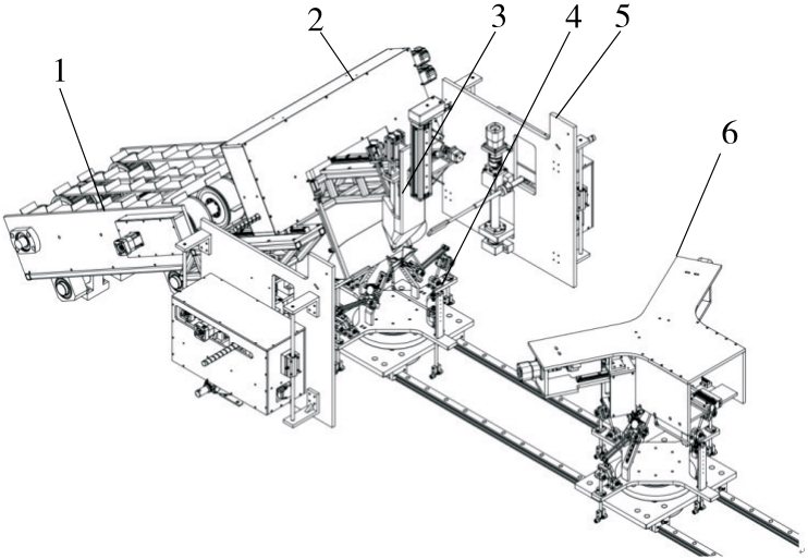
2025, 41(3):67-73. DOI: 10.13652/j.spjx.1003.5788.2025.80037
摘要:目的 针对粽叶成型—馅料充填—捆扎的四角粽连续机械化生产,设计粽叶自动折叠成型工艺及装置。方法 分析粽叶折叠成型的功能和要求,研究其技术原理和工艺方法;结合连续机械化生产要求,探究粽叶折叠成型技术。结果 提出一种基于粽型模具实现粽叶旋转折叠成型及其连续作业的粽叶成型—充填—捆扎工艺,并完成了整体装置及关键机构的设计。结论 所设计的粽叶移送—预成型—充填—折边—封顶的粽叶折叠成型工艺及装置,能满足四角粽粽叶的柔性预成型。
2025, 41(3):74-80. DOI: 10.13652/j.spjx.1003.5788.2024.80663
摘要:目的 解决传统小麦加工磨下物粒径分布离线检测反馈迟滞、检测效率低等问题。方法 将动态图像法应用到小麦加工过程的粒径检测中,基于小麦加工工艺设计一台在线粒径检测装置,设计装置关键结构与算法软件,并使用该装置与人工筛分法对样品物料进行对比分析。结果 与筛分法和激光法相比,装置对Ⅰ皮磨与Ⅱ皮磨物料的检测结果最大相对误差分别不超过3.2%,14.7%和2.3%,14.2%,Ⅰ皮磨物料重复性试验相对误差不超过2.6%。结论 将动态图像法应用到小麦加工行业粒径在线检测具有可行性。
2025, 41(3):81-87. DOI: 10.13652/j.spjx.1003.5788.2024.60150
摘要:目的 提高食品分拣机器人机械臂空间最优时间轨迹规划效率和稳定性。方法 提出一种基于改进浣熊优化算法的食品分拣机器人机械臂时间最优轨迹规划方法。建立UR5六自由度机械臂模型,采用3-5-3多项式插值方法构造机械臂运动轨迹。借鉴光学折射物理现象对浣熊优化算法进行改进,利用改进后的浣熊优化算法优化求解机械臂轨迹规划问题,在满足角度、角速度、角加速度约束条件的同时尽可能缩短关节运动时间。结果 仿真结果表明,与其他3种时间最优轨迹规划方法相比,所提方法轨迹运行时间降低了14.58%,21.20%,4.18%。结论 所提方法能够缩短机械臂运行时间,有效提高机械臂工作效率。
2025, 41(3):88-93. DOI: 10.13652/j.spjx.1003.5788.2024.60146
摘要:目的 提高Delta机器人在食品自动化分拣系统中的运行效率和稳定性。方法 在对食品自动化分拣系统进行分析的基础上,提出一种结合机器视觉、多目标模型和改进蜣螂优化算法的Delta机器人分拣策略。通过机器视觉完成食品实时位置获取,建立以运行路径和稳定性综合最优为目标的分拣优化模型,通过改进的蜣螂优化算法对模型进行求解,并对试验方法的性能进行验证。结果 与常规方法相比,试验方法具有更快的平均分拣速度和更小的末端振动冲击,平均分拣速度<0.60个/s,末端加速度均值<16 m/s2。结论 通过结合机器视觉、多目标模型和智能算法可以有效提高Delta机器人的分拣效率和稳定性。
2025, 41(3):94-99. DOI: 10.13652/j.spjx.1003.5788.2025.60001
摘要:目的 提高高速工况下凸轮连杆组合机构的运动平稳性与可靠性,研究基于傅里叶级数的凸轮轮廓设计方法。方法 通过傅里叶级数展开理论推导凸轮连杆组合机构的运动规律表达式,分析初始参数对运动特性的影响规律;以包装机械升降机构为例,通过MATLAB设计傅里叶级数凸轮轮廓曲线,并验证其基本尺寸、运动及动力学性能。结果 当傅里叶级数展开阶数k=15时,可有效平衡运动精度与加速度波动,所设计的凸轮轮廓曲线连续无冲击,最大压力角为41.39°,最小曲率半径为5.42 mm,速度和加速度曲线均能满足高速工况使用要求。结论 该方法通过单一运动规律的傅里叶级数展开简化设计流程,避免了分段求解的复杂性,显著提升了凸轮连杆机构在高速运行下的稳定性和动态性能。
2025, 41(3):100-107. DOI: 10.13652/j.spjx.1003.5788.2024.80598
摘要:目的 改善工业生产线小龙虾质量检测方法单一、效率低、检测成本高的问题。方法 提出了一种基于YOLO-HDR的轻量化神经网络检测模型。使用PP-HGNetv2模型设计一种新的YOLOv8骨干网络并引入HGstem和DWConv的轻量化模块重构网络;使用动态卷积块以及官方库中的其他轻量化卷积(GhostConv、RepConv)重新设计新骨干网络的HGBlock,得到动态高性能网络模块(DynamicHGBlock、RepHGBlock、GhostHGBlock等)来改进HGBlock,以提升网络的特征表达能力;用重复跨阶段局部保边注意力网络RepNCSPELAN4改进原颈部网络的C2f模块,并改善骨干模块改进后的轻量网络的性能。结果 改进模型的精确度及平均精度均值达到92.8%和95.9%,相较于原模型分别提高了3.5%和1.9%,优于其他对比目标检测算法。改进后模型的参数量及模型大小相比原 YOLOv8n 模型分别降低了17.7%和16.2%,计算量减少了19.8%。结论 试验方法在密集遮挡噪声背景下的检测性能均有提高,能够满足工业流水线小龙虾冷冻分装前复杂背景下质量检测需求。
刘欢,NASIRU Mustapha Muhammad,冯进,宋江峰,祝红,李春阳
2025, 41(3):108-115. DOI: 10.13652/j.spjx.1003.5788.2024.60177
摘要:目的 优化高压电场低温等离子体(HVCP)消杀花生表面黄曲霉处理参数,并分析杀菌对花生品质的影响。方法 以杀菌率为指标,利用响应面试验优化消杀花生表面黄曲霉的HVCP杀菌工艺参数,观察比较HVCP处理前后的黄曲霉孢子形态,并分析HVCP处理对花生粗脂肪含量、粗脂肪酸价、粗蛋白含量、色泽的影响。结果 优化的HVCP杀菌工艺参数为处理电压122 kV、处理时间13.5 min、处理频率56 Hz,该条件下的杀菌率达到99.56%,并且黄曲霉孢子形态比未处理组发生明显变化,同时HVCP处理后花生粗脂肪、粗蛋白含量没有显著变化,脂肪酸价显著降低,花生色泽更鲜艳。结论 HVCP可高效消杀花生表面黄曲霉,提升色泽,降低脂肪酸价,且不影响品质安全。
周讯,周慧娟,黄灵湘,叶正文,苏明申,杜纪红,张夏南,李雄伟,张明昊
2025, 41(3):116-125. DOI: 10.13652/j.spjx.1003.5788.2024.80683
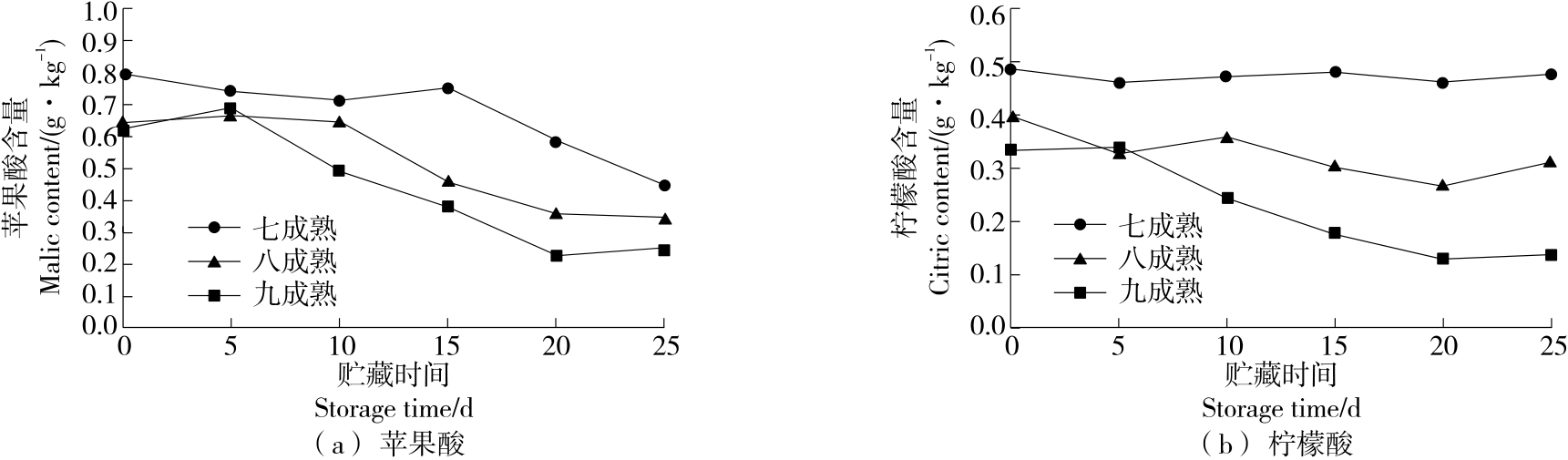
摘要:目的 研究非冷害温度(12~15 ℃)条件下不同成熟度黄桃果实风味变化规律,确定品质劣变点和安全贮藏期。方法 以七成熟、八成熟、九成熟‘锦绣’黄桃为试材,研究温度12~15 ℃、相对湿度85%~90%条件下,果实失重率、腐烂率、硬度、可溶性固形物、糖酸和电子鼻传感器响应值的变化,并对成熟度、贮藏时间及关键品质指标进行相关性分析。结果 七成熟果实第25天的腐烂率仅为5%,显著低于八成熟果实第15天的和九成熟果实第5天的(P<0.05);贮藏15~20 d的七成熟果实硬度相当于第10天的八成熟果实和第5天的九成熟果实。九成熟果实于第10天出现蔗糖含量峰值,较其他两个成熟度果实早5 d,贮藏15~25 d的八成熟果实中蔗糖含量显著高于九成熟果实;贮藏0~20 d,七成熟和八成熟果实中山梨醇含量显著高于九成熟果实(P<0.05);整个贮藏期间,七成熟果实中苹果酸、柠檬酸含量均显著高于其他两个成熟度果实;贮藏第0,10,25天,3个成熟度果实的电子鼻传感器响应值均可被完全区分开,贮藏第10,25天为果实挥发性物质代谢的关键时间点。贮藏时间和采摘成熟度对果实腐烂率、带皮硬度、果肉组织硬度、糖酸含量和电子鼻传感器响应值均有一定的调控作用,其中山梨醇与果实硬度、蔗糖、苹果酸和电子鼻传感器响应值显著相关,硫化氢类挥发性物质易受贮藏时间、果实硬度和糖酸含量的影响。结论 12~15 ℃下,七成熟、八成熟、九成熟果实的安全贮藏期分别为15~20,10~15,5 d。
2025, 41(3):126-133. DOI: 10.13652/j.spjx.1003.5788.2024.80654
摘要:目的 确定蓝莓果实的最佳采收期。方法 以蓝金、乡铃、绿宝石、灿烂、珠宝、莱克西和奥尼尔7个蓝莓品种为研究对象,检测蓝莓果实不同成熟度时的外观和生物活性成分。结果 蓝莓果实在成熟过程中由0.58~1.05 g膨大至1.40~3.00 g,总酚和总黄酮含量波动较大,总花色苷含量持续上升至71.44~275.33 mg/100 g FW。蓝莓果实完全成熟时具有最强的DPPH自由基和ABTS自由基清除能力以及铁离子还原能力。蓝莓果实花青素组成和含量受成熟期影响较大,飞燕草色素和锦葵色素是成熟蓝莓果实中的主要色素,两者占比为50.62%~77.33%。结论 蓝莓果实的采摘时期以完全成熟为佳,此时的蓝莓果实生物活性成分含量最高,具有最佳的保健功效;其次为紫红色向紫黑色转变时,此时蓝莓的保健功效略低于完全成熟的果实。
2025, 41(3):134-141. DOI: 10.13652/j.spjx.1003.5788.2024.80559
摘要:目的 探究加工方法对赶黄草的成分和功能的影响。方法 比较净制、酒灸、醋灸、盐灸和姜灸5种处理方法对赶黄草的功能成分、体外抗氧化及抑菌活性的影响,分析比较不同方法处理前后的功能成分差异性,采用DPPH自由基和ABTS+自由基模型测定体外抗氧化活性,并检测处理后赶黄草对大肠杆菌、金黄色葡萄球菌、乙型副伤寒沙门氏菌和肠炎沙门氏杆菌4种常见致病菌的抑菌效果。结果 净制后的赶黄草中总黄酮和总多酚含量均显著高于其他处理方法(P<0.05),盐灸和酒灸的次之,醋灸的最低。酒灸后的赶黄草对大肠杆菌、金黄色葡萄球菌和肠炎沙门氏杆菌的抑菌活性最强,盐灸的最弱。酒灸后的赶黄草对DPPH自由基和ABTS+自由基的清除能力最强,其IC50值分别为33.52,35.86 μg/mL;醋灸后的赶黄草对DPPH自由基和ABTS+自由基的清除能力最弱,其IC50值分别为43.90,54.87 μg/mL。赶黄草中清除DPPH自由基和ABTS+自由基的主要活性成分为没食子酸、山奈酚-3-O-芸香糖苷、乔松素和芦丁。结论 酒灸是赶黄草的最佳处理方法。
2025, 41(3):142-150. DOI: 10.13652/j.spjx.1003.5788.2024.80197
摘要:目的 优化冬荪黄酮纯化的最佳工艺并探究其抗疲劳功效,开发抗疲劳潜在功效产品。方法 采用单因素和响应面法优化冬荪黄酮纯化工艺,并研究经纯化后的冬荪黄酮对小鼠运动耐力的影响。结果 与AB-8大孔吸附树脂、HP-20大孔吸附树脂和D101大孔吸附树脂相比,聚乙烯基吡咯烷酮对冬荪黄酮的吸附率最高,且最优纯化工艺为:冬荪黄酮粗提取物质量浓度3.2 g/L、洗脱液乙醇体积分数56%、洗脱流量28 mL/min、洗脱体积2倍柱体积,该工艺参数下冬荪黄酮纯度可达(92.05±1.05)%,与冬荪黄酮粗提取物纯度相比提升了近5倍。纯化后的冬荪黄酮能够有效延长小鼠负重游泳时长,降低小鼠血清乳酸、血尿素氮、肌酸激酶、丙二醛和血清尿素含量,同时提升小鼠血清的乳酸脱氢酶、总抗氧化能力、谷胱甘肽过氧化物酶含量以及肝脏的肝糖原、肌组织肌糖原含量。结论 聚乙烯基吡咯烷酮是优异的纯化冬荪黄酮的新型介质,纯化后的冬荪黄酮可通过改变生化指标、提升糖原储备能力以及抗氧化能力达到缓解疲劳、增强耐力的目的,冬荪黄酮可以作为一种功能性食品添加剂。
2025, 41(3):151-160. DOI: 10.13652/j.spjx.1003.5788.2024.80952
摘要:目的 探究枸杞的抗炎活性成分及作用机理。方法 运用网络药理学和分子对接技术筛选枸杞抗炎作用的主要成分及作用靶点,结合细胞试验,以RAW264.7炎症细胞模型评价枸杞提取物的抗炎活性,并利用皮尔逊相关系数法分析主要成分与炎症因子之间的关联性。结果 通过TCMSP、Uniprot、OMIM等在线数据库筛选出34种枸杞主要成分及123个共有靶点基因,由蛋白互作网络图收集到IL-6、TP53、JUN、TNF、AKT1、IL1B等核心靶点,由“药物—成分—靶点”网络图可获得槲皮素、β-谷甾醇、黄豆黄素、豆甾醇、阿托品等关键成分;KEGG富集得到了癌症信号通路、脂质和动脉粥样硬化等信号通路。分子对接结果表明,β-谷甾醇、豆甾醇与关键靶点的结合能相对较低,亲和力较强。细胞试验进一步验证了枸杞提取物中槲皮素、β-谷甾醇、豆甾醇浓度与炎症因子TNF-α、IL-6、IL-1β生成量之间存在负相关性。结论 枸杞中潜在的抗炎活性成分为槲皮素、β-谷甾醇、豆甾醇,可能是通过调节AKT1、IL1B等核心靶点来发挥抗炎作用。
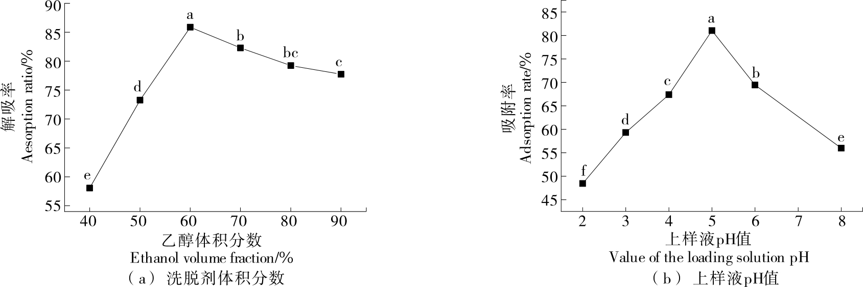
2025, 41(3):161-170. DOI: 10.13652/j.spjx.1003.5788.2024.80701
摘要:目的 纯化并富集具有良好抗氧化活性的酒糟多酚。方法 采用有机溶剂萃取和大孔吸附树脂相结合的方法对酒糟深共熔溶剂提取液中的酚类物质进行富集回收,并测定纯化产物的纯度和抗氧化活性。对萃取剂种类及树脂类型进行筛选,通过吸附动力学、吸附等温线和热力学阐述吸附机理,并优化其最佳工艺条件;以清除1,1-二苯基-2-三硝基苯肼(DPPH)自由基和2,2-联氮-二(3-乙基-苯并噻唑-6-磺酸)二铵盐(ABTS)阳离子自由基的能力为指标,评价酚类物质的体外抗氧化活性。结果 最适宜的萃取溶剂为二氯甲烷,当V二氯甲烷∶VDES为2∶1时,多酚回收率为90.83%;最适宜纯化酒糟多酚的树脂为DM130,其吸附率为78.70%。DM130树脂对酒糟多酚的吸附符合准二级动力学模型和Langmuir模型,吸附过程自发且放热。DM130树脂纯化酒糟多酚的最佳工艺条件为上样液pH 5、上样液质量浓度0.8 mg/mL、上样流速2 BV/h、上样体积3.4 BV、洗脱剂为60%乙醇、洗脱流速3 BV/h、洗脱剂体积6.9 BV。酒糟多酚深共熔溶剂提取液经二氯甲烷萃取和DM130树脂吸附总体回收率可达到88.90%,多酚纯度由原来的2.11%提高至16.05%。纯化产物中共检出7种酚类物质,其中阿魏酸含量最高。纯化后的多酚物质清除DPPH自由基和ABTS+自由基的半抑制质量浓度(IC50)值分别为0.080 4,0.185 0 mg/mL。结论 试验建立的酒糟多酚纯化方法有效可行,且富集的酒糟多酚具有良好的抗氧化活性。
2025, 41(3):171-176. DOI: 10.13652/j.spjx.1003.5788.2024.80292
摘要:目的 采用水提醇沉法提取红花多糖(safflower polysaccharides,SPS),并分析其结构和体外抗氧化活性。方法 红花粗多糖经脱蛋白、DEAE-52纤维素和Sephadex G-200凝胶分离纯化后,得到SPS-A、SPS-B和SPS-C 3个组分,采用紫外—可见光谱扫描和红外光谱对其进行分析,并考察SPS-A的体外抗氧化能力。结果 SPS-A、SPS-B和SPS-C含量分别为89.75%,90.37%,90.22%,样品中不含蛋白质或核酸类物质,推测SPS-A、SPS-B、SPS-C为β-型吡喃环结构。SPS-A清除DPPH自由基的IC50值为0.35 mg/mL,Fe3+总抗氧化能力(FRAP)为411.58 μmol/L FeSO4。结论 木瓜蛋白酶-Sevag法对红花粗多糖的脱蛋白效果最佳;红花多糖可能含β-型吡喃环结构;红花多糖可作为一种新型抗氧化药物及食物开发。
2025, 41(3):177-186. DOI: 10.13652/j.spjx.1003.5788.2025.60002
摘要:目的 优化超临界CO2萃取绿茶工艺并明确其香气品质特征。方法 以云南普洱晒青绿茶作为试验材料,采用单因素试验结合响应曲面优化设计,获得超临界CO2萃取绿茶香气物质最佳工艺,通过固相微萃取—全二维气相色谱飞行时间质谱法(SPME-GC×GC-QTOF-MS)、香气活力值(OAV)和气相色谱嗅闻仪(GC-O)对绿茶超临界萃取物进行香气化合物的鉴定分析。结果 超临界CO2萃取绿茶最佳工艺参数为萃取压力21 MPa、萃取温度50 ℃、萃取时间2 h、CO2流量21 L/h,夹带剂添加量160 mL,萃取得率达到1.076 8%。对绿茶超临界萃取物进行香气化合物的鉴定分析,共检测出81种香气化合物,包括醇类、萜类、酯类和烃类等,其中以醇类含量最高。筛选出了29种OAV值>1的重要香气化合物,进一步采用GC-O嗅闻仪识别出香叶醇、β-紫罗酮等11种关键香气化合物,赋予绿茶超临界萃取物花香、甜香等风味。结论 具有不同香型的香叶醇等11种关键香气化合物对云南普洱晒青绿茶超临界萃取物香气的形成具有重要贡献。
2025, 41(3):187-196. DOI: 10.13652/j.spjx.1003.5788.2024.80621
摘要:目的 探究干燥方式对芒果粉功能性质的影响。方法 分别采用热风干燥、真空干燥和远红外干燥制备芒果皮、芒果肉和芒果核粉,并分析其颗粒形态、功能性成分含量和功能性质。结果 芒果皮与芒果核中的膳食纤维、类黄酮、总酚等功能性成分较芒果肉中的高,为果肉中的4倍以上,同一部位3种干燥方式间无明显差异。芒果粉具有良好的持水性(2.43~4.24 g/g)和持油性(1.69~2.01 g/g),加热后形成凝胶的持水力最高可达7.58 g/g,随着冻融循环次数的增加,凝胶收缩析水反而降低。真空干燥的芒果粉加工性质相对较差,但其抗氧化能力最强。结论 3种干燥方式下,芒果皮、芒果肉和芒果核粉中的膳食纤维、类黄酮、总酚等功能性成分含量无明显差异,但因真空干燥为无氧状态干燥且干燥时间较长而使芒果粉具有相对较差的功能性质和更高的抗氧化活性。
2025, 41(3):197-203. DOI: 10.13652/j.spjx.1003.5788.2024.80722
摘要:目的 确定花生适宜的机械干燥技术。方法 以新鲜花生为原料,采用热泵干燥(HPD)、远红外干燥(FID)、电加热干燥(EHD)、远红外联合热泵干燥(FI-HPD)及自然晾晒(ND)5种干燥方式对花生进行干燥,对比不同干燥方式对花生干燥时间、单位能耗、干燥速率、营养品质、色泽、质构、发芽率的影响。结果 在4种机械干燥过程中,花生的水分比、干燥速率随干燥时间的延长不断减小,干燥过程均为降速干燥,其中FI-HPD组的干燥时间最短,单位能耗最低。干燥方式对蛋白质、油酸、亚油酸含量影响显著(P<0.05),对脂肪含量影响不显著,4 种机械干燥后,EHD和FI-HPD组花生的蛋白质含量较高、油酸含量较低。干燥方式对花生的色泽、硬度、黏附性也有显著影响(P<0.05)。机械干燥后,花生的酸价为0.75~2.00 mg/g,过氧化值为0.03~0.14 mg/g,符合国家标准。4种机械干燥后,花生的发芽指数均有一定程度的降低,其中FI-HPD组的花生发芽率和发芽势下降最多,HPD和FID组的发芽指数均>90%。结论 FI-HPD适用于食用花生干燥加工,HPD和EHD适用于花生种子干燥加工。
2025, 41(3):204-211. DOI: 10.13652/j.spjx.1003.5788.2024.80823
摘要:作为新型非热杀菌技术,磁场因其强穿透性、绿色安全的特点而备受关注。振荡磁场能在保持食品营养特性的同时有效杀灭微生物并延长其保质期,恒稳磁场在抑制食品微生物生长方面也展现出良好的应用潜力,但不同类型磁场对食品中微生物的抑制及失活作用机制尚未有系统的阐述与分析。文章综述了磁场致死和抑制食品微生物方面的研究进展,包括作用机制以及应用情况,并就其所面临的前景和挑战进行了探讨。
2025, 41(3):212-220. DOI: 10.13652/j.spjx.1003.5788.2025.60023
摘要:综述了近年来各类氟含量检测方法的技术特点,重点从检测原理、技术特点以及应用现状3个维度,综合描述了国内外关于食品包装材料中总氟含量间接检测技术,按照样品前处理和氟含量测定两个环节,梳理了现有的检测方法,并对其技术参数和应用场景进行了对比,分析和评估了氟含量检测技术的准确度、精确度、稳定性、检测时间和成本效益等关键参数,对该技术的进一步改进和优化提出了建议。
2025, 41(3):221-227. DOI: 10.13652/j.spjx.1003.5788.2024.81097
摘要:油凝胶是目前被广泛认可的半固体状塑性脂肪替代品之一,可替代含有较多饱和脂肪酸(SFAs)和反式脂肪酸(TFAs)的人造奶油、起酥油等。文章概述了包括直接分散法在内的油凝胶的4种制备方法、油凝胶多种凝胶剂的特点及油凝胶在食品中应用的研究现状与进展,并对油凝胶在食品中应用的研究前景进行展望。
2025, 41(3):228-235. DOI: 10.13652/j.spjx.1003.5788.2024.80691
摘要:金花茶多糖是一种具有多种生物活性的天然高分子化合物,因其显著的抗氧化、抗菌、降血糖等多种生物活性而备受关注,但对金花茶多糖的研究还存在提取方法单一、分离纯化研究不足以及结构表征研究仅局限于一级结构等问题。文章对金花茶多糖的提取工艺、分离纯化、结构表征以及生物活性等方面的研究现状进行了系统性综述,并对其今后的研究方向进行了展望。
2025, 41(3):236-242. DOI: 10.13652/j.spjx.1003.5788.2025.60037
摘要:苏作工艺具有雅致、自然、精致、细腻的特征,与苏州特产食品的文化内涵和包装设计的升级需求相契合。文章着重研究在特产食品包装设计中,对苏作工艺进行风格化表达、形态模拟、直接应用、整合设计、意象表达以及空间转换表现等内容,总结苏作工艺运用于特产食品包装设计的方法和路径,以促进苏州特产食品包装设计的发展。
2025, 41(3):243-248. DOI: 10.13652/j.spjx.1003.5788.2024.60080
摘要:不同文化背景下,东西方色彩体系存在着明显的差异。从中国人情感色调出发,以色彩的意象化表达为切入点,依托清华大学中国人情感色调认知研究结果,阐述中华传统色彩意象的审美价值与哲学意蕴,结合实例,分析中华传统色彩在食品包装设计中的运用价值与设计原则。
今日访问
您是本站第 访问者 
通信地址:湖南省长沙市天心区万家丽南路二段960号
电话:0731-85258200 E-mail:foodmm@ifoodmm.com 邮编:410114
技术支持:北京勤云科技发展有限公司
版权所有:食品与机械 ® 2026 版权所有

快速检索
友情链接