2025, 41(1):2-8. DOI: 10.13652/j.spjx.1003.5788.2024.80176
摘要:目的 探究纳米乳液在不同pH下的稳定性及贮藏稳定性,并将其用于姜黄素的包载。方法 通过离子络合法制备纳米乳液,以粒径和Zeta电位为评价指标对CS和GA用量进行优化;采用傅里叶变换红外光谱仪分析分子间相互作用,采用扫描电子显微镜观察CS/GA纳米乳液微观形态,通过分光光度计测定姜黄包载率。结果 当CS与GA质量浓度分别为2.5,1.5 mg/mL时,所制备的纳米乳液在酸性条件下(尤其是pH<6.0时)具有良好稳定性;当pH值维持在6.0时,在28 d内纳米乳液多分散性指数均小于0.15,未出现沉淀;纳米乳液微观形态呈疏松多孔网状结构,两种物质分子间作用力以静电力为主;当CS与GA质量浓度分别为2.5,1.5 mg/mL时,纳米乳液在pH≤6.0时具有良好的稳定性,且对姜黄素的包封率高达(93.72±0.04)%。结论 壳聚糖/阿拉伯胶纳米乳液可用作功能性成分递送系统。
2025, 41(1):9-17. DOI: 10.13652/j.spjx.1003.5788.2024.80643
摘要:目的 实现白酒酒段的自动化识别与分类,解决白酒传统“看花摘酒”出品波动以及利用深度学习的酒花分类方法在精度、实时和普适性平衡中的问题。方法 提出一种基于图像采集优化识别的白酒酒花自动分类方法。通过自建平台采集酒花图像,并利用ENet进行预处理以提高数据质量,使用Vision Transformer (ViT)和ConvNeXt模型对酒花图像进行分类。结果 试验方法提高了白酒摘酒过程的自动化水平和精确度,在保证实时性的同时,分类准确率为99.4%。结论 该方法有效优化了传统白酒摘酒工艺,可以快速准确地实现酒花实时检测分类。
2025, 41(1):18-25. DOI: 10.13652/j.spjx.1003.5788.2024.80440
摘要:目的 提升酱香型白酒酱香风味和品质稳定性。方法 联合固、液态双向发酵和电子感官分析筛选出酱香风味浓郁的菌株,通过优化固态发酵产香工艺条件,利用气相色谱分析其代谢的特征香气组分。结果 获得一株产酱香优势枯草芽孢杆菌菌株Bac14,其产酱香风味最佳工艺条件为温度梯度37 ℃→45 ℃→50 ℃→55 ℃,接种比例10%,水分含量50%,该条件下菌株产香显著,3-羟基-2-丁酮、2,3,5-三甲基吡嗪、2,3,5,6-四甲基吡嗪、糠醛等相关风味物质明显增加。结论 从高温大曲中获得了一株酱香风味浓郁的枯草芽孢杆菌菌株。
2025, 41(1):26-34. DOI: 10.13652/j.spjx.1003.5788.2024.80403
摘要:目的 优化广西米香型白酒酿造曲种。方法 利用高通量测序技术对广西4个米香型白酒小曲的微生物群落进行分析,采用常规法测定小曲的理化指标,探究微生物群落结构和理化特性之间的相关性。结果 4种小曲中共检测到2个优势真菌门和9个优势细菌门,优势真菌门分别为子囊菌门和毛霉门;所有小曲中均存在细菌优势门中的厚壁菌门和变形菌门。各小曲中均存在霉菌,其中小曲A、B、C中为根霉属,小曲D中为曲霉属和红曲霉属,共同的优势细菌属为片球菌属和魏斯氏菌属。在理化指标上,小曲A的糖化力、液化力和发酵力均最大,小曲C的酯化力大于其他小曲。结论 优势菌属与理化指标之间存在一定的相关性。
2025, 41(1):35-41. DOI: 10.13652/j.spjx.1003.5788.2024.60088
摘要:目的 研究阿魏酸对麦谷蛋白亚基聚集行为的影响及对馒头品质的影响效应。方法 比较阿魏酸(FA)与高相对分子质量谷蛋白亚基(HMW-GS)和低相对分子质量谷蛋白亚基(LMW-GS)的互作行为,明确FA添加量对麦谷蛋白亚基聚集的影响及其机制。结果 添加质量分数为0.5%的FA能够有效促进HMW-GS及LMW-GS的聚集,诱导游离巯基氧化形成更多的二硫键,增大蛋白聚集体的平均粒径,同时增加稳定的α-螺旋和β-折叠含量,减少无序的无规卷曲含量,促进HMW-GS及LMW-GS聚集体的形成,进一步导致疏水基团掩埋,降低其表面疏水性,并形成更为稳定的三级结构。相较于LMW-GS,添加0.5%的FA可诱导HMW-GS更多地聚集。HMW-GS+0.5% FA能够有效改善馒头品质,相较于原生面粉,比容增加了29.62%,硬度降低了18.59%。结论 高相对分子质量谷蛋白亚基+0.5%阿魏酸能有效改善馒头品质。
2025, 41(1):42-52. DOI: 10.13652/j.spjx.1003.5788.2024.81238
摘要:目的 挖掘并利用自然界丰富的乳酸菌资源,推动中国传统酸汤的工业化生产。方法 从自然发酵的食品和原料中分离乳酸菌,经形态、革兰氏染色及16S rDNA鉴定,结合微生物生长特性筛选出高产酸耐酸菌株;以这些菌株为发酵剂制备酸汤,考察总酸含量和色差,通过单因素及响应面法优化发酵工艺。结果 从湘西酸汤等样品中分离出Limosilactobacillus fermentum、Pediococcus acidilactici、Lactiplantibacillus plantarum、Lacticaseibacillus paracasei等乳酸菌,筛选出了产酸能力强的L. paracasei LK10(LK10)和耐酸性能好的L. fermentum T1(T1);以LK10和T1为发酵剂,调整种子液OD600 nm为1.00,VLK10∶VT1=5∶1、总接种量4.23 mL/100 g、37 ℃发酵9.75 d为最佳工艺条件,酸汤总酸含量为(19.43±0.12) g/kg。结论 以L. paracasei LK10和L. fermentum T1制备的酸汤酸辣适中,色泽红亮,乳酸风味浓郁。
2025, 41(1):53-62. DOI: 10.13652/j.spjx.1003.5788.2024.80617
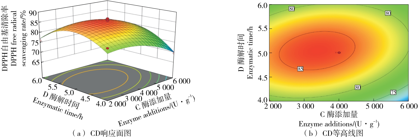
摘要:目的 优化栉江珧多糖纳米硒制备的最佳工艺并探究其抗氧化能力,开发栉江珧多糖纳米硒潜在功能性食品添加剂。方法 以栉江珧多糖为稳定剂,采用亚硒酸钠法制备栉江珧多糖纳米硒,通过单因素试验和响应面试验优化制备工艺,分析栉江珧多糖纳米硒结构并研究其抗氧化活性。以栉江珧多糖纳米硒粒径为指标,选择维生素C与亚硒酸钠摩尔比、反应温度、反应时间和多糖质量浓度4个影响因素进行单因素试验,并设计响应面试验。结果 栉江珧多糖纳米硒多糖最优制备条件为:维生素C与亚硒酸钠摩尔比8.3∶1、反应温度44 ℃、反应时间2.3 h、多糖质量浓度0.4 mg/mL。在最优条件下制备的栉江珧多糖纳米硒粒径为(69.81±1.04) nm,Zeta电位为(-35.28±0.41) mV,硒含量为(195.73±0.39) μg/g。结构分析结果显示,栉江珧多糖纳米硒已成功硒化且属于无定型非晶体。栉江珧多糖纳米硒对DPPH自由基和OH自由基具有较好的清除作用,具有一定的抗氧化效果,且均优于栉江珧多糖和纳米硒。结论 栉江珧多糖纳米硒可以作为一种功能性食品添加剂使用。
2025, 41(1):63-73. DOI: 10.13652/j.spjx.1003.5788.2024.80456
摘要:目的 实现水产和畜禽产品中喹诺酮类(QNs)和磺胺类(SAs)残留的同时测定。方法 前处理比较了提取溶剂对回收率的影响,考察了EMR-Lipid与液液萃取(正己烷)、基质分散吸附(C18和乙二胺-N-丙基硅烷化硅胶)和通用型固相萃取(PRiME HLB)等净化方式对基质效应减弱或消除的效果。以1.0%甲酸—乙腈为提取溶剂,通过EMR-Lipid净化;采用ACQUITY UPLC?HSS T3柱(3.5 μm,2.1 mm×100 mm)在10 min内完成分离;质谱采用正离子扫描和多反应监测模式下监测,外标法定量。结果 该方法的线性范围为1.0~100.0 ng/mL,相关系数(R2)均大于0.99;检出限和定量限分别为1.0,2.0 μg/kg;低、中、高加标回收率为61.9%~115.3%,相对标准偏差<15%。结论 与文献和标准方法相比,该方法拓宽了适用范围,减少了前处理流程,降低了方法使用时间和经济成本。
2025, 41(1):74-79. DOI: 10.13652/j.spjx.1003.5788.2023.80346
摘要:目的 建立分散固相萃取结合超高效液相—串联质谱(UPLC-MS)同时检测生牛乳中10种新烟碱类农药残留的分析方法。方法 生牛乳样品用乙腈提取,提取液加入QuECHERS盐包盐析,采用分散固相萃取剂净化,净化液以超高效液相色谱—串联质谱测定,通过外标法定量。结果 10种化合物在一定浓度范围内呈现良好的线性关系(R2>0.999),方法检出限为0.2~0.5 μg/kg,定量限为1 μg/kg,生牛乳中1.0,2.5,5.0 μg/kg 3个添加水平的平均加标回收率在75.9%~108.9%,日内精密度为1.8%~7.6%,日间精密度低于11.7%。结论 该方法前处理简便、重现性好、灵敏度高,适用于生牛乳中新烟碱类农药的残留检测。
2025, 41(1):80-85. DOI: 10.13652/j.spjx.1003.5788.2023.81272
摘要:目的 建立一种超声辅助分散液液微萃取—高效液相色谱法快速测定饮料中富马酸二甲酯含量的方法。方法 在饮料试样中加入萃取剂与分散剂,采用超声萃取,离心分离,高效液色谱法进行测定。结果 最佳微萃取条件为100 μL氯仿作为萃取剂,300 μL丙酮作为分散剂,超声时间4 min,此时富马酸二甲酯的线性范围为0.1~100.0 μg/mL,检出限为0.02 μg/mL。方法的相对标准偏差(RSD)<3.7%,加标回收率为75.0%~85.0%。结论 该方法简单快速、重现性好、分析灵敏度高、环境友好,适于饮料中富马酸二甲酯的定性与定量分析。
2025, 41(1):86-96. DOI: 10.13652/j.spjx.1003.5788.2023.81293
摘要:目的 建立快速检测酒类产品中59种非法添加药物的方法。方法 样品经甲醇—水(V甲醇∶V水=5∶5)超声提取后采用高效液相色谱—三重四极杆质谱法进行测定,外标法定量。结果 59种待测药物在相应质量浓度范围内呈良好线性关系,相关系数>0.992;定量限分别为0.1,0.2 mg/kg;3个添加水平下,59种待测药物的平均回收率为86.7%~119.9%,方法精密度和重复性的相对标准偏差<13.7% (n=6)。结论 该方法简单快速、重复性好、准确度高,适用于酒类产品中壮阳抗疲劳类、解热镇痛类、镇静安眠类和利尿类非法添加药物的检测。
2025, 41(1):97-106. DOI: 10.13652/j.spjx.1003.5788.2024.80632
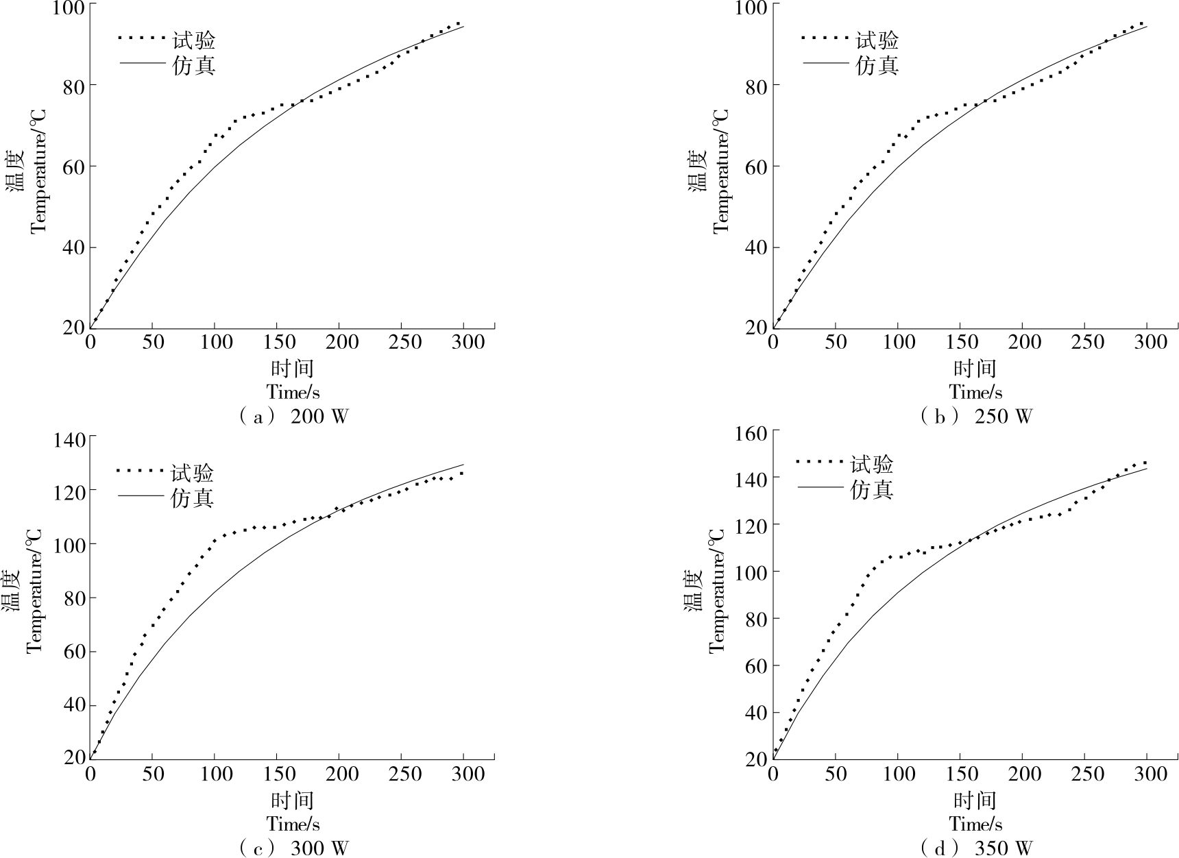
摘要:目的 掌握新鲜油茶籽的微波加热特性和含水率变化规律。方法 通过电磁—流/固传热耦合数值模拟,计算分析单颗油茶籽的温升特性,确定物料摆放位置和微波功率范围;开展单颗和小批量油茶籽的微波干燥试验,根据内部和表面实测温度,校验数值模拟结果;采用Two-term、Henderson and Pabis和Midilli and Kucuk 3种模型分别拟合油茶籽的干基含水率变化,分析油茶果的微波干燥动力学特性。结果 油茶籽的实测温度与仿真温度整体变化趋势一致,验证了数值模拟的可靠性;油茶籽的微波干燥过程可分为加速、恒速和减速3个阶段,Midilli and Kucuk模型能更准确地描述油茶籽的微波干燥动力学特性;微波干燥油茶籽的最佳工艺条件为微波功率200~350 W、单次加热5 min、间隔2 min,此时单批(200 g)油茶籽达到预期干基含水率9%需42~126 min,其干燥效率相对于传统热风干燥和红外干燥提升了70%~90%,且能有效避免过热焦化和开裂。结论 微波加热技术可实现新鲜油茶籽的高效可控干燥。
2025, 41(1):107-113. DOI: 10.13652/j.spjx.1003.5788.2024.80163
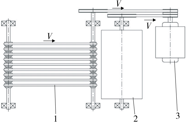
摘要:目的 设计一种集脱青皮、清洗、分级于一体的核桃脱青皮机,并分析该机器中关键构件辊筒轴与链板的强度、刚度以及振动特性,确定其各项工况参数。方法 采用力学分析确定核桃脱青皮过程的受力,确定辊筒、链板转速,计算辊筒功率,用Solidworks进行整机及关键零件建模,并将辊筒轴与链板实体导入Ansys Workbench中进行静力学分析和模态分析。结果 当辊筒轴转速为300 r/min时,一体机的最大变形为0.003 mm,最大应力为60.62 MPa;当链板转速为120 r/min时,一体机的最大变形为0.352 mm,最大应力为168.97 MPa,符合设计要求;辊筒轴与链板的工作频率远小于其前六阶固有频率,工作过程中不会发生共振破坏。结论 该辊筒轴与链板的强度和刚度满足实际生产要求,且正常工况下不会发生共振破坏。
2025, 41(1):114-119. DOI: 10.13652/j.spjx.1003.5788.2024.60071
摘要:目的 提高椰青加工机械化、自动化程度。方法 设计一款新的椰青加工机,该机由压紧旋转机构、侧顶一体切削机构、夹持机械手和切底机构等组成,通过对最关键的侧顶一体切削机构的力学分析计算、三维建模及有限元分析进一步优化设计方案。结果 影响切削加工效果的主要影响因素顺序为刀具进给速度>椰青的旋转速度>刀具切削角。椰青加工机的最优参数组合为椰青旋转速度450 r/min,刀具进给速度1 mm/s,刀具切削角16.7°。结论 该机椰青加工成功率达100%,效率可达100个/h,具有工程应用价值。
2025, 41(1):120-125. DOI: 10.13652/j.spjx.1003.5788.2024.60135
摘要:目的 针对传统的温控方法(如PID控制)在应对动态、多变量复杂场景时存在响应迟缓、超调显著以及无法充分利用预测信息的局限性,提出一种结合模糊控制与Transformer预测模型的食品智能温控方法,旨在提高方法的温控精度、响应速度以及能耗效率。方法 利用Transformer对未来多时间步的环境温度和目标温度进行趋势预测,基于模糊逻辑进行实时的温度偏差控制,并以披萨坯的温控为例进行实验验证。结果 试验提出的智能温控方法在预测和控制性能方面均优于传统方法。与其他两种预测模型对比,在3种时间序列预测中,Transformer模型的平均绝对误差(MAE)降低了21.30%(从0.19 ℃降低到0.15 ℃),均方根误差(RMSE)降低了16.67%~25.00%。在冷藏库温控场景中,与其他4种方法相比,试验方法的温度超调量降低了15.73%~39.27%,响应时间缩短了14.24%~33.52%,稳态误差减小至33.30%~62.50%。在烘焙炉温控场景中,与其他4种方法相比,试验方法的温度超调量降低了11.24%~33.05%,响应时间缩短了11.54%~33.03%,稳态误差减小至40.00%~71.43%。结论 结合模糊控制与Transformer的智能温控方法在复杂食品贮藏与加工场景下表现出卓越的预测精度和控制效果,相较于其他方法具有显著的性能优势。
2025, 41(1):126-132. DOI: 10.13652/j.spjx.1003.5788.2024.80267
摘要:目的 提升泡泡青半干面产品的贮藏品质。方法 通过调整处理脉冲能量、脉冲距离以及半干面贮藏时间,分析各因素对泡泡青半干面贮藏品质的影响。通过对比微生物含量、色差、叶绿素含量、质构特性、水分分布以及蛋白质二级结构等指标,确定脉冲强光处理泡泡青半干面的最佳参数。结果 脉冲强光处理泡泡青半干面的最佳工艺参数为脉冲能量900 J、脉冲次数20次、脉冲距离5 cm,此条件下,有效延长了半干面的保质期。与未处理组相比,脉冲强光杀菌技术在提升半干面卫生质量的同时,相同贮藏时间内硬度、咀嚼性等质构品质更好。结论 脉冲强光处理是延长泡泡青半干面保质期的有效方法之一。处理后的泡泡青半干面在一定贮藏期内保持了较低的菌落总数和较好的质构特性。
2025, 41(1):133-139. DOI: 10.13652/j.spjx.1003.5788.2024.80550
摘要:目的 探究ε-聚赖氨酸盐酸盐对大黄鱼源波罗的海希瓦氏菌和荧光假单胞菌的抑制作用。方法 通过测定最小抑菌浓度、生长曲线、菌液电导率、碱性磷酸酶活性、紫外吸收物质、生物膜生成抑制率、菌落总数以及挥发性盐基氮等指标分析ε-聚赖氨酸盐酸盐对波罗的海希瓦氏菌和荧光假单胞菌生长情况、生物膜破坏情况及致腐能力的影响。结果 ε-聚赖氨酸盐酸盐对波罗的海希瓦氏菌和荧光假单胞菌的最小抑菌浓度分别为0.250,0.125 mg/mL;经ε-聚赖氨酸盐酸盐处理后,波罗的海希瓦氏菌和荧光假单胞菌的生长被明显抑制,电导率、AKP酶活性以及紫外吸收物质泄漏明显增加,并呈质量浓度依赖性;接种了波罗的海希瓦氏菌和荧光假单胞菌的鱼块其细菌总数和TVB-N值明显下降。结论 ε-聚赖氨酸盐酸盐能破坏波罗的海希瓦氏菌和荧光假单胞菌细胞壁,增强细胞膜的通透性,抑制生长和影响致腐能力。
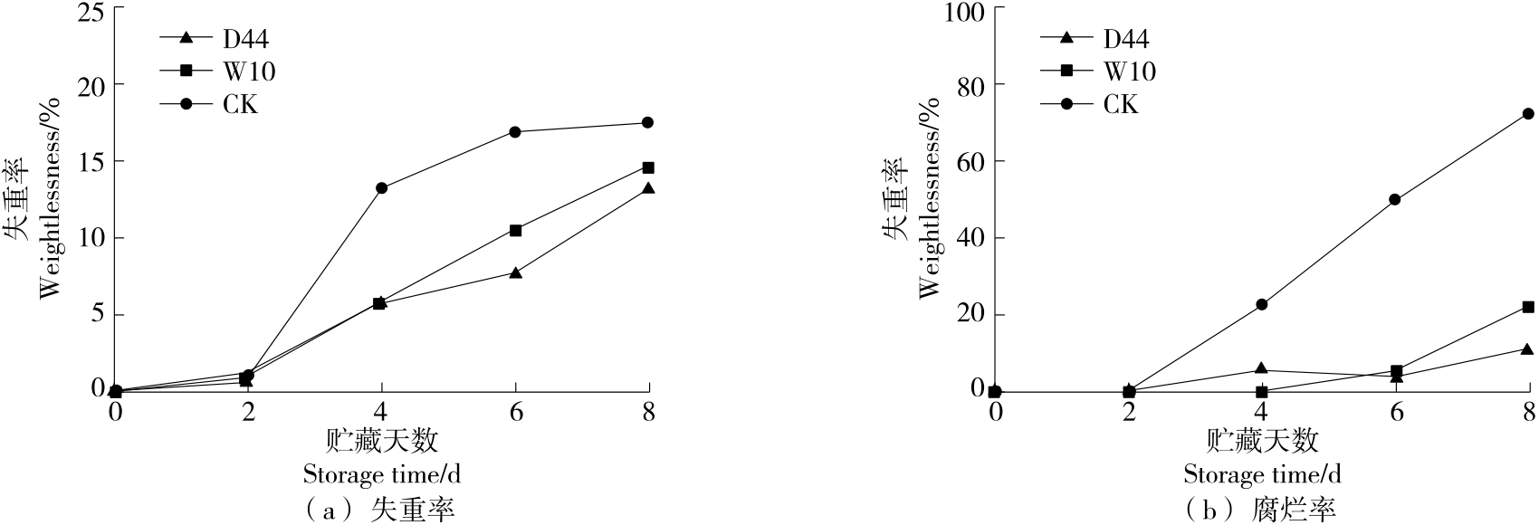
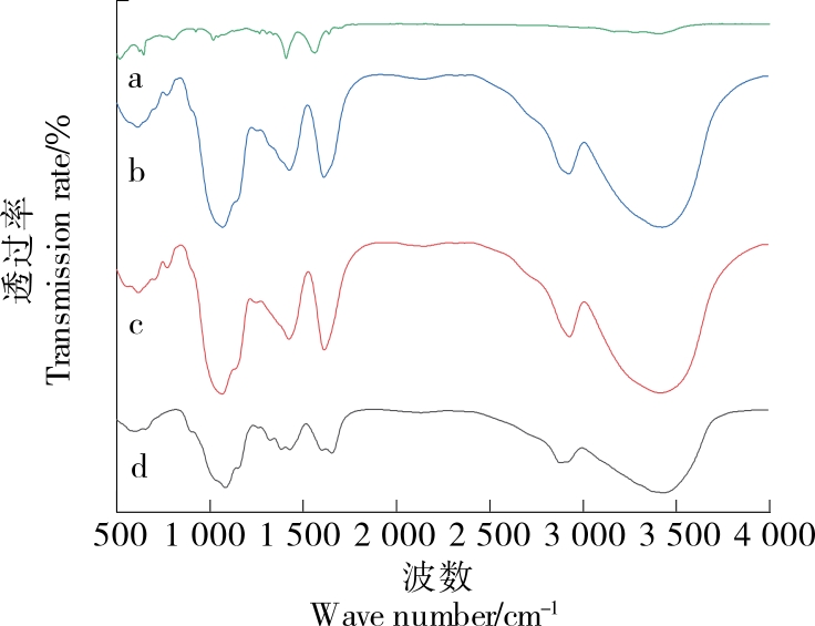
周慧娟,周讯,叶正文,吕贝贝,苏明申,张夏南,杜纪红,李雄伟,张明昊
2025, 41(1):140-148. DOI: 10.13652/j.spjx.1003.5788.2024.80513
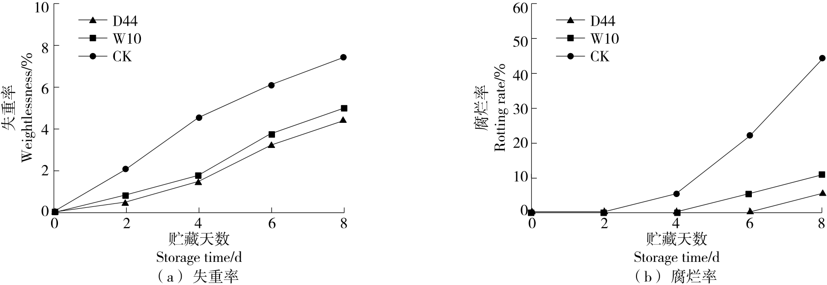
摘要:目的 研究贝莱斯芽孢杆菌D44在桃采后病害生物防治中的应用。方法 以硬溶质沪油桃018、硬溶质锦绣黄桃、软溶质湖景蜜露水蜜桃为试材,探讨枯草芽孢杆菌A9、贝莱斯芽孢杆菌D44和地衣芽孢杆菌W10对桃粉红聚端胞霉、青霉菌、镰刀菌、褐腐菌、灰霉菌、交链格胞霉、根霉菌7种采后病原菌的拮抗作用,及其对接种病原菌后3种类型桃果实病斑直径、挥发性物质及防腐保鲜效果的影响。结果 D44对桃采后褐腐菌、根霉菌、灰霉菌、青霉菌、镰刀菌均有较强的抑制作用。常温条件下,可使接种褐腐菌的沪油桃018和湖景蜜露水蜜桃果实的发病时间均较对照组果实延缓2 d,抑制率高达85%~99%;可使接种根霉菌的沪油桃018和湖景蜜露水蜜桃果实的发病时间较对照组果实分别推迟3 d,抑病率高达87.61%~99.82%;可显著抑制采后腐烂导致的挥发性物质变化。D44处理的沪油桃018果实常温安全贮藏期可达6~8 d,较对照组果实延长4~6 d,腐烂率低于5%,失重率低于4.5%,果实可溶性固形物下降率控制在8%以内;湖景蜜露水蜜桃果实常温安全贮藏期可达4~6 d,较对照组延长2~4 d,腐烂率低于8%,失重率低于8%,果实可溶性固形物下降率控制在4%以内,商品和食用价值高。结论 D44可显著延缓褐腐菌和根霉菌的发病速率,并较好地保持果实贮藏品质、延长保鲜期。
2025, 41(1):149-157. DOI: 10.13652/j.spjx.1003.5788.2024.80327
摘要:目的 优化壳聚糖(chitosan,CS)—大豆分离蛋白(soy protein isolate,SPI)复合膜制备工艺,提高其综合性能并考察CS-SPI复合膜对芒果的保鲜效果。方法 选择CS和SPI为成膜基质,以复合膜的拉伸强度、断裂伸长率、水蒸气透过率、氧气透过量、二氧化碳透过量及透光率为评价指标,通过模糊综合评价计算复合膜综合性能K值。采用响应面分析法,以复合膜的K值为响应值,优化CS-SPI复合膜的配方。结果 CS-SPI复合膜的最佳制备工艺条件为:pH为2.9,CS添加量1.9 g/100 mL,SPI添加量22.7 mg/mL,甘油添加量2.2 g/100 mL。以该工艺制备的CS-SPI复合膜综合性能K值达0.904,复合膜内部网络结构更为致密,能够有效阻止膜内外水分和气体的迁移。将CS-SPI复合膜应用于芒果常温保鲜中,其货架期可延长至15 d。结论 优化工艺制备的CS-SPI复合膜综合性能显著提升,且表现出较好的芒果保鲜能力。
2025, 41(1):158-164. DOI: 10.13652/j.spjx.1003.5788.2024.60138
摘要:目的 实现鸡蛋精细化分类和提高鸡蛋外观检测的准确率。方法 提出一种融合改进卷积神经网络和层次SVM的鸡蛋外观检测方案。① 采用鸡蛋机器视觉图像采集设备获取不同方位、不同外观鸡蛋图像,并运用图像增强技术扩充鸡蛋图像数据库。② 设计改进的浣熊优化算法(coati optimization algorithm,COA)和FCM聚类算法,在此基础上对卷积神经网络(convolutional neural network,CNN)模型结构和超参数进行优化,以提升CNN泛化能力。运用优化后的CNN深度学习鸡蛋图像数据库,从而实现鸡蛋外观图像特征的有效提取。③ 建立层次支持向量机鸡蛋外观分类工具,最终实现对鸡蛋外观的准确检测分类。结果 所提鸡蛋外观检测方案的检测准确率提高了1.74%~4.31%,检测时间降低了21.68%~53.51%。结论 所提方法能够有效实现对鸡蛋的在线实时精细化分类。
2025, 41(1):165-171. DOI: 10.13652/j.spjx.1003.5788.2024.60102
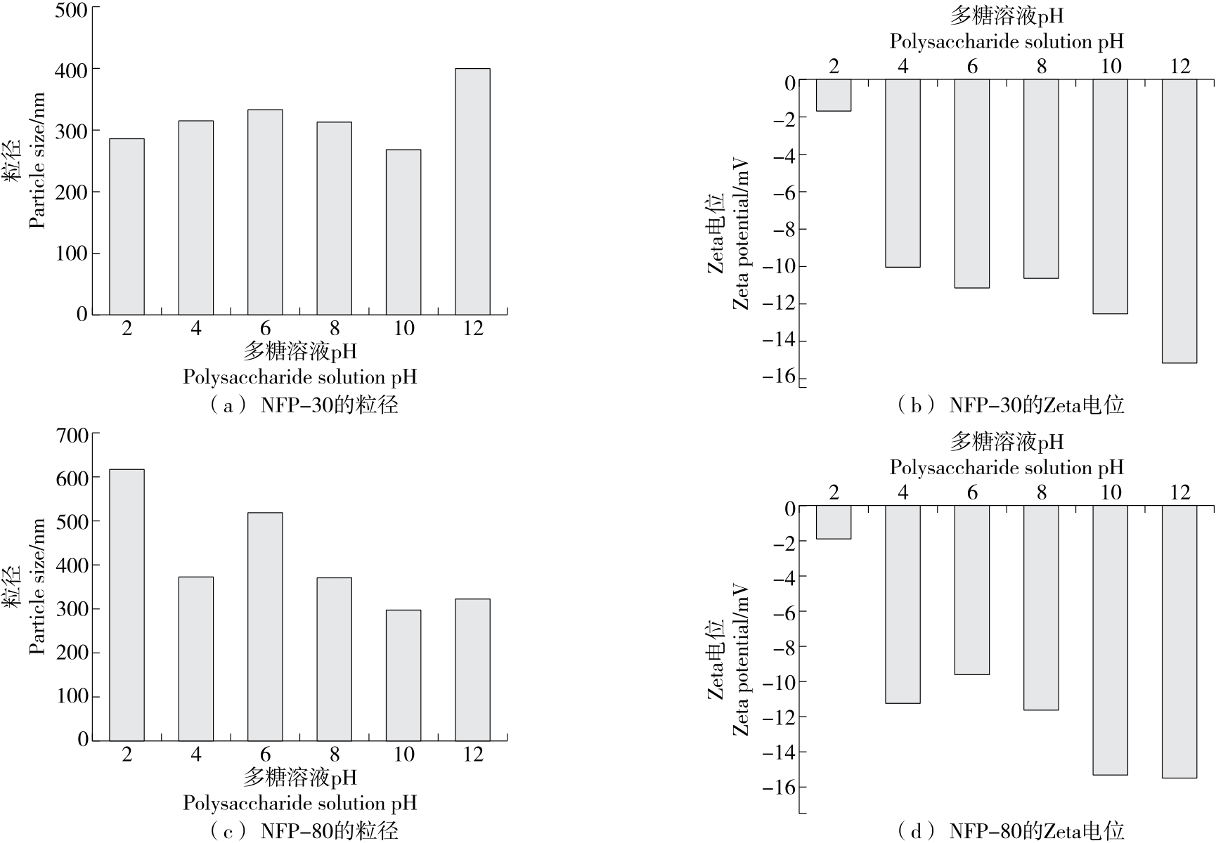
摘要:目的 对源于诺尼果的两个多糖组分的组成结构进行表征,并比较其体外降糖、降脂活性。方法 采用水提醇沉法从诺尼果中提取分离出NFP-30和NFP-80两个多糖组分,通过理化分析、光谱分析、扫描电镜分析等手段对两种多糖进行表征,并通过α-葡萄糖苷酶和胰脂肪酶抑制率评估其体外降糖、降脂活性。结果 NFP-30、NFP-80组分中中性糖含量分别为(50.73±1.32)%,(42.30±1.11)%,糖醛酸含量分别为(61.48±0.40)%,(27.05±0.28)%,说明两者均为酸性多糖。在通过DEAE-52层析柱时,两种多糖均在NaCl浓度为0.9 mol/L时出现一个主峰,说明两者的组分较为集中。从对α-葡萄糖苷酶的最大抑制率来看,NFP-30的为58.45%,NFP-80的为0.21%;从对胰脂肪酶的最大抑制率来看,NFP-30的为34.63%,NFP-80的为9.77%,NFP-80对两种酶活性的抑制率均明显低于NFP-30。结论 NFP-30的中性糖含量和糖醛酸含量均高于NFP-80的,其体外降糖、降脂活性也优于NFP-80。
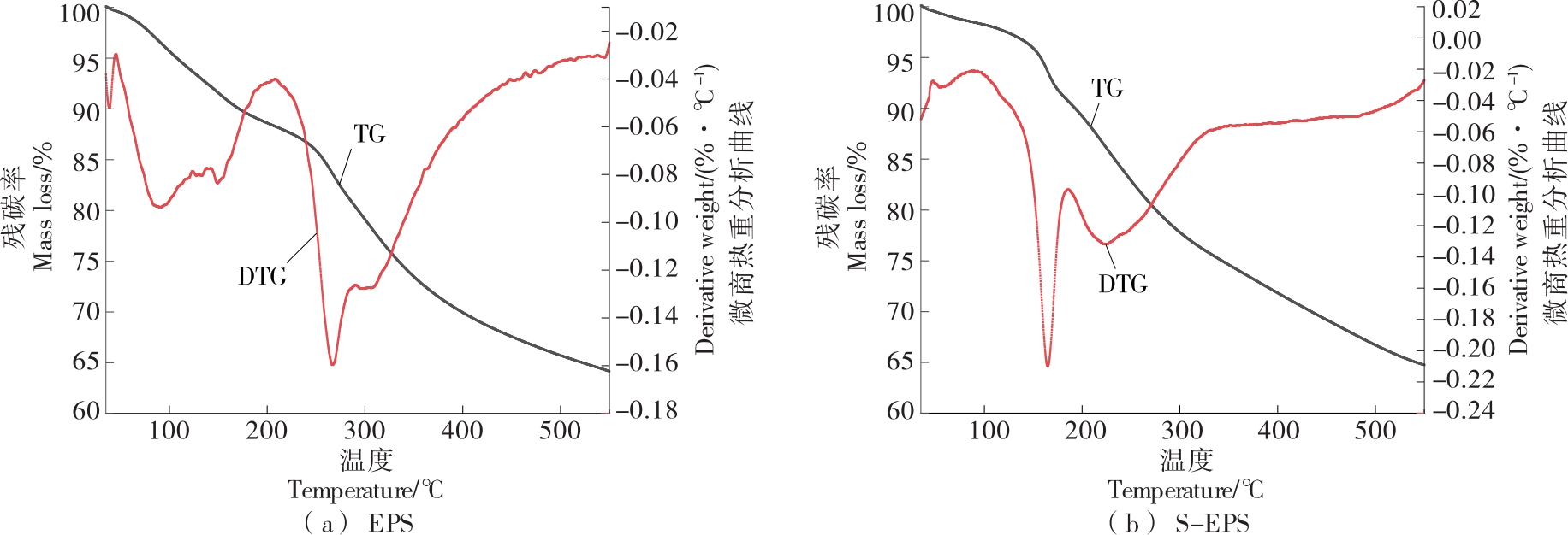
2025, 41(1):172-179. DOI: 10.13652/j.spjx.1003.5788.2024.80581
摘要:目的 提高紫球藻胞外多糖(Porphyridium aerugineum exopolysaccharide,EPS)的生理活性及应用范围。方法 采用浓硫酸法修饰EPS,以硫酸基取代度为指标,利用响应面法对紫球藻胞外多糖硫酸酯(sulfated Porphyridium aerugineum exopolysaccharide,S-EPS)的制备工艺进行优化,同时对S-EPS理化性质进行测定。结果 最佳工艺条件为反应时间6 h、反应温度26 ℃、m硫酸铵∶mEPS=4∶5,此条件下取代度为0.807 5±0.008 7。红外分析证明EPS被成功硫化。热重分析表明S-EPS的热稳定性优于EPS。粒径与Zeta电位分析表明,取代度越大的样品越稳定,—SO3H基团含量越高,电位绝对值越大,不易聚集。抗氧化活性试验结果显示,S-EPS对DPPH·的清除率为92.17%,明显高于EPS的。结论 硫化修饰提高了EPS的抗氧化能力,说明硫化修饰是一种较为可行的改善多糖的方法。
2025, 41(1):180-185. DOI: 10.13652/j.spjx.1003.5788.2024.80835
摘要:目的 探究药食同源中药人参、黄精、玉竹及陈皮复合水提物对小鼠抗疲劳作用的影响。方法 该试验分为空白对照组、阳性对照组(大株红景天胶囊,0.70 g/kg)和复方人参水提物低、中、高(1.56,3.30,6.60 g/kg)剂量组,连续灌胃给药30 d。通过小鼠负重力竭游泳试验及肝糖原、血乳酸、血尿素氮等生化指标,评价复方人参水提物的抗疲劳作用。结果 与空白对照组相比,复方人参水提物对小鼠正常生长及精神状态无显著影响(P>0.05)。中、高剂量组显著延长小鼠负重力竭游泳时间(P<0.05),高剂量组显著提高肝糖原水平(P<0.05),降低血乳酸、血尿素氮及丙二醛水平(P<0.05)。结论 复方人参水提物有助于缓解小鼠运动疲劳,具有较强的抗疲劳作用。
2025, 41(1):186-194. DOI: 10.13652/j.spjx.1003.5788.2024.80421
摘要:目的 实现金枪鱼副产物的高值化利用,从中制备抗氧化蛋白肽。方法 以黄鳍金枪鱼暗色肉为原料,采用蛋白酶分步酶解制备抗氧化蛋白肽。以水解度和DPPH自由基清除率为评价指标,通过单因素和响应面试验优化制备工艺,并分析蛋白肽的抗氧化活性、氨基酸组成以及相对分子质量分布。结果 抗氧化蛋白肽的最优制备工艺为风味蛋白酶酶解温度50 ℃,pH 7.00,酶添加量6 000 U/g,酶解时间4.00 h;二步酶解中,胃蛋白酶酶解温度55.69 ℃,pH值1.41,酶添加量3 200 U/g,酶解时间5.16 h。该条件下,蛋白肽的水解度和对DPPH自由基清除率最高,分别为21.55%,85.89%。金枪鱼暗色肉风味蛋白酶—胃蛋白酶蛋白肽清除DPPH自由基的半抑制质量浓度(IC50)为1.613 mg/mL,同时,该蛋白肽含有8种必需氨基酸占比约39.60%,疏水性氨基酸占比约35.13%。另外,其相对分子质量主要集中在3 000以下,占比约为63.86%。结论 从金枪鱼副产物中采用分步酶解法所获蛋白肽具有很好的抗氧化活性且营养价值高。
2025, 41(1):195-207. DOI: 10.13652/j.spjx.1003.5788.2024.80570
摘要:目的 以香港牡蛎为原料,探究复合脱腥处理联合喷雾干燥对牡蛎蛋白酶解产物特征风味的改良作用,并高效获得更好风味的牡蛎酶解产物基料。方法 采用青柠汁、甜叶菊粉、红茶粉3种脱腥剂复配联合喷雾干燥对牡蛎蛋白酶解产物进行处理,以感官评分和得粉率为指标,考察复合脱腥剂的配制比例、复合脱腥剂与酶解液的料液比及喷雾干燥的最优工艺条件,并结合顶空固相微萃取—气相色谱—质谱联用(HS-SPME-GC-MS)法、电子鼻和电子舌辅助感官检验进行风味分析。结果 最优工艺条件为m甜叶菊粉∶V青柠浊汁∶m红茶粉=1∶3∶2,m复合脱腥剂∶V牡蛎酶解液=1∶20,进风温度180 ℃,蠕动泵转速10 r/min,麦芽糊精添加量为1.5倍,此时得到的牡蛎酶解产物基料整体滋味和气味更佳。结论 单独喷雾干燥能使酶解液贝肉香浓郁,滋味咸鲜;而复合脱腥联合喷雾干燥处理后整体滋味呈酸甜,有效减弱了咸鲜味,呈现鱼腥味和哈喇味的醛类物质含量减少,具有花香、果香等令人愉快气味特点的烯烃类物质相对含量增加,风味更佳。
2025, 41(1):208-218. DOI: 10.13652/j.spjx.1003.5788.2024.80491
摘要:目的 开发具有优良去腥增香能力的酒体。方法 基于气相色谱—离子迁移谱(GC-IMS)结合相对气味活度值(ROAV)确定鸡胗特征腥味物质,探究3种烹调白酒(A、B和C)腌制处理对鸡胗去腥增香的影响。结果 利用GC-IMS共鉴定出73种挥发性成分,通过VIP值筛选出13种差异风味物质可作为区分不同处理组的生物标志物。结合相对气味活度值共鉴定出9种腥味和异味成分,主要包括正丁醛、正己醇-M、2-辛酮、2-丁酮-M等。指纹图谱和风味物质定量分析表明,3种烹调白酒具有比料酒更好的去腥效果。结论 烹调白酒A在具有强去腥能力的同时可赋予鸡胗大量乙酯和萜烯等特征香气成分。
2025, 41(1):219-224. DOI: 10.13652/j.spjx.1003.5788.2024.80461
摘要:目的 提高咸鸡蛋腌制效率和品质。方法 将真空脉动技术应用于鸡蛋的腌制,并与常压腌制(对照组)进行比较。选取真空保持时间、常压保持时间和腌制时间为影响因素,以咸鸡蛋在腌制过程中的蛋增重率、蛋清含盐率、蛋黄含盐率、蛋黄指数和蛋黄色泽为指标进行单因素试验。结果 在真空度为-90 kPa、饱和食盐水浸泡的条件下,真空保持时间与常压保持时间脉动比4∶5(真空保持时间12 min,常压保持时间15 min),腌制48 h的咸鸡蛋品质佳。该条件下蛋增重率、蛋清含盐率、蛋黄含盐率和蛋黄指数分别为3.73%,5.85%,3.98%,91.00%,腌制速率比常压腌制快9~15倍;后熟36 h时,咸鸡蛋的蛋清含盐率、蛋黄含盐率、蛋黄指数和色泽h*分别为5.12%,4.13%,91.00%,82.32。结论 与常压腌制相比,真空脉动腌制不但能够大幅缩短腌制时间,还能显著提高腌制品质。
2025, 41(1):225-233. DOI: 10.13652/j.spjx.1003.5788.2024.81146
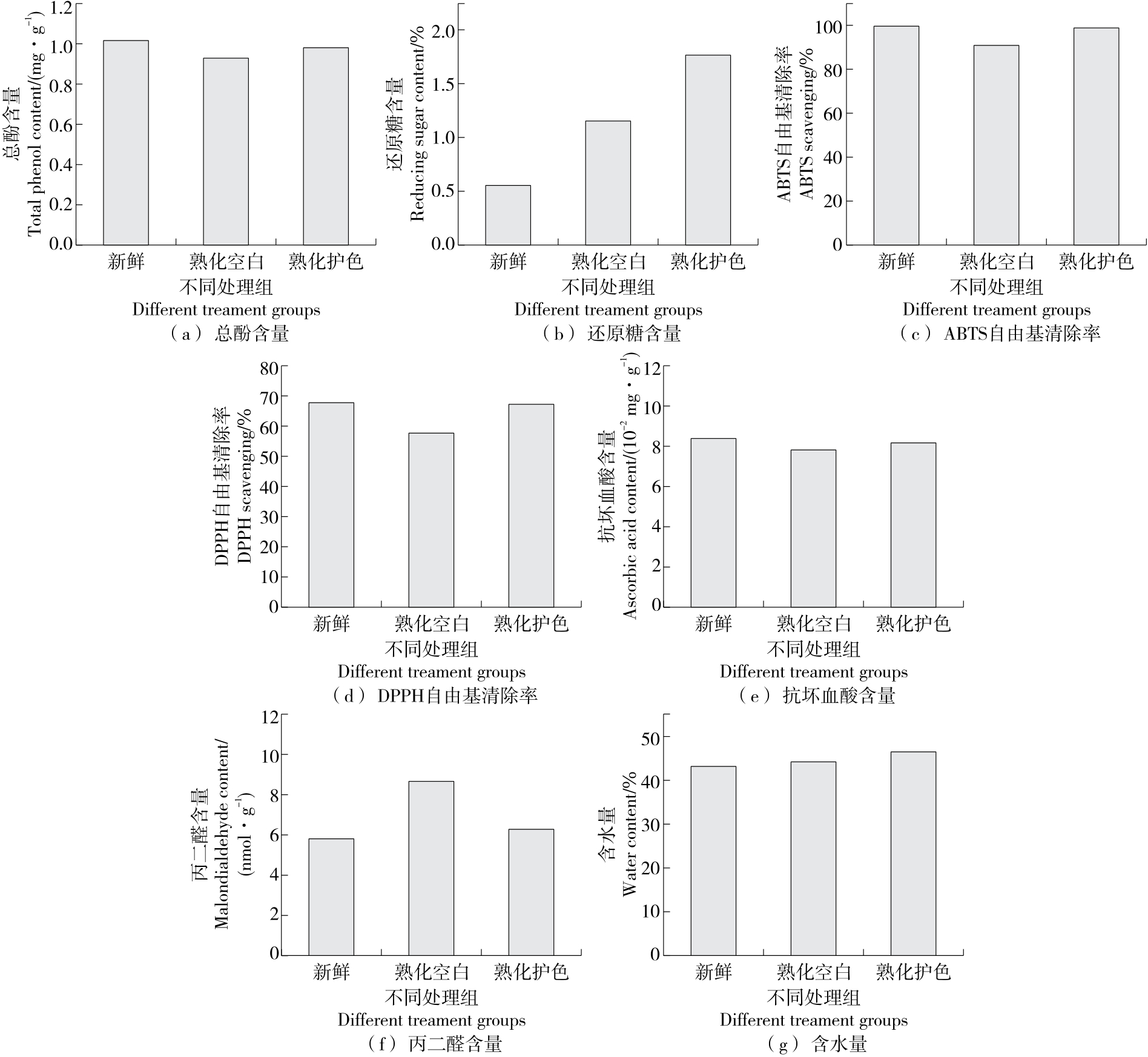
摘要:目的 解决板栗加工过程中褐变问题。方法 以泰山板栗为原材料,通过单因素试验确定护色工艺条件,选取褪黑素浓度、苹果酸质量分数、柠檬酸质量分数3个因素进行响应面优化试验,得到最佳护色剂浓度;通过测定总酚含量、还原糖含量、抗坏血酸含量、丙二醛含量、DPPH自由基和ABTS自由基清除率、含水量,研究不同处理对板栗理化指标的影响。结果 确定护色工艺条件为:40 ℃护色剂中浸泡60 min,100 ℃护色剂中煮制10 min;护色剂配比为:褪黑素浓度0.5 mmol/L,苹果酸质量分数0.87%,柠檬酸质量分数1.08%;确定的护色工艺可有效降低板栗褐变指数,提高L*值,褐变抑制效果良好;同时会使总酚含量、还原糖含量、抗坏血酸含量、DPPH自由基和ABTS自由基清除率升高,降低丙二醛含量,含水量差异不明显。结论 采用的护色工艺可有效抑制板栗加工过程中的褐变。
2025, 41(1):234-242. DOI: 10.13652/j.spjx.1003.5788.2024.80525
摘要:食品安全问题现已成为全社会共同关注的热点话题,而高效、灵敏的检测技术是保障食品安全的重要工具。免疫分析法是生化靶点高灵敏度检测的金标准,为食品污染物的检测提供了良好的平台,近年来逐渐被应用于各类食品安全检测。纳米酶作为一种天然酶的模拟物,具有稳定性好、灵敏度高等优势,符合日益降低的检测限形势下对快检方法的要求。文章综述了基于纳米酶标记的免疫分析技术的检测原理和优势所在,对该技术在不同食品安全检测领域包括农兽药残留、重金属残留、真菌毒素、食源性致病菌、其他有害物检测等的应用实例进行了阐述,同时对纳米酶未来的发展趋势进行了讨论。
陈羚,李丽君,徐海军,金华进,钟芳,夏熠珣,康景然,邬娟,王彩云
2025, 41(1):243-248. DOI: 10.13652/j.spjx.1003.5788.2023.60144
摘要:冰淇淋这种复杂的搅拌充气胶体系统在制作过程中,需要适度调节脂肪球的失稳以形成特定的结构。小分子乳化剂能够调控脂肪失稳程度,通过吸附在脂肪球表面、减少表面张力,以及与蛋白质争夺水油界面位置发挥作用。同时,小分子乳化剂可以推动脂肪颗粒的分散,或者在油水界面形成保护膜,从而影响脂肪结晶。另外,小分子乳化剂还能作为模板分子,引导脂肪形成各种特定形状,如球形、棒状和片状,并对脂肪晶体的大小和形态进行调节。这一过程会影响到脂肪球的失稳程度,进而改变冰淇淋的质地以及稳定性。文章主要从小分子乳化剂的构造和种类出发,探讨其与脂肪、蛋白质之间的互动关系及在冰淇淋中的作用原理,并分析小分子乳化剂对冰淇淋质地的影响。
今日访问
您是本站第 访问者 
通信地址:湖南省长沙市天心区万家丽南路二段960号
电话:0731-85258200 E-mail:foodmm@ifoodmm.com 邮编:410114
技术支持:北京勤云科技发展有限公司
版权所有:食品与机械 ® 2026 版权所有

快速检索
友情链接